Ajatsükliline + ON-DELAY relee LED-ekraan paneelile/uksele paigaldamiseks 230VAC
Kättesaadavuse laadimine ebaõnnestus
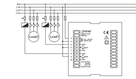
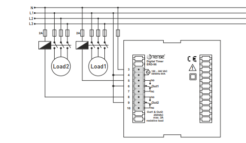
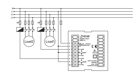
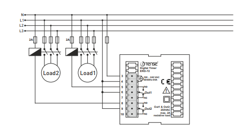
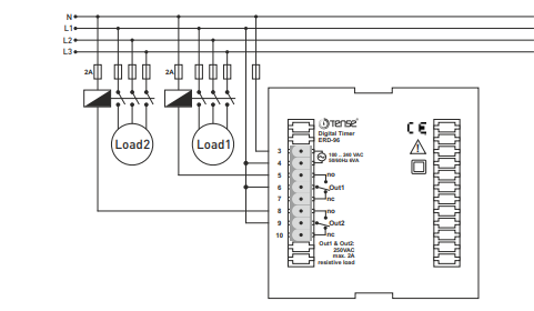
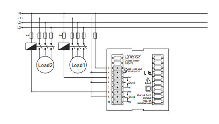
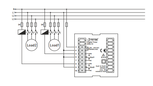
Ajatsükliline + ON-DELAY relee LED-ekraan paneelile/uksele paigaldamiseks 230VAC - vilkumine impulsi alguses , vilkumine pausi alguses tsükliline relee, viivitusega ajaviitja. PINGESTATUD ERD-96 ERD-48, ERD-72
Kahe funktsiooniga ajarelee - sisselülitamise viivitusfunktsioon ja tsüklilise relee funktsioon.
Aja seadistusvahemik:
99,9 sekundit, 999 sekundit, 99,9 minutit või 999 minutit (valikuline esipaneel).
Online makse kaardiga - pärast tellimuse lõpetamist suunatakse teid makseväravasse, makse kinnitamine saadetakse teile e-posti teel
Jõudmine - tasumine vastavalt maksekorraldusele, maksate transpordiettevõtte juhile
Ülekandega - teie e-posti aadressile saadetakse hiljemalt järgmisel tööpäeval ettemaksuarve, millel on pangakonto number, mille sisestate makse tegemisel.
Arve alusel - seda maksevarianti kasutavad partnerid, kellel on meie ettevõttega sõlmitud raamleping.
Kui soovite kasutada viimaseid 2 viisi, helistage meie juhile ja ta annab teile juhised, kuidas saada arve koos või ilma käibemaksuta.
Meie pakutavad elektrilised seadmed vastavad kõrgetele kvaliteedistandarditele, neil on 24-kuuline garantii ja nad vastavad kõigile ELi nõuetele.
Reklaamimise korral ei küsita kauba tagastamise eest mingeid tasusid.