13 Tooted
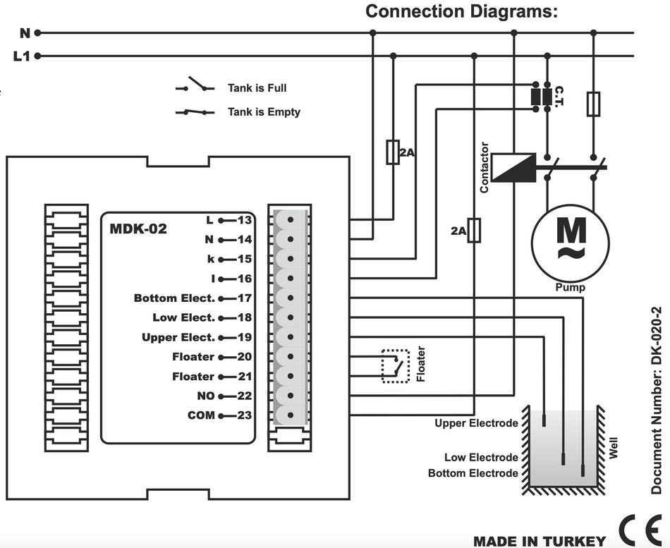
Taseme regulaatorid
Pelek-ee.com-s pakume usaldusväärseid ja täpseid taseme regulaatoreid Türgi tootjatelt. Need regulaatorid on hädavajalikud vedelike õige taseme säilitamiseks teie tööstuslikes protsessides, mis on nende tõhusa ja ohutu toimimise jaoks ülioluline. Meie taseme regulaatorid on kavandatud kõrge usaldusväärsuse, pikaealisuse ja lihtsa paigaldamise tagamiseks. Tänu meie omadele ladudele Tšehhi Vabariigis saame tagada kiire kohaletoimetamise ja professionaalse toe õige varustuse valimisel ja paigaldamisel vastavalt teie vajadustele.
Filtreeri tooteid
- Mõõtetehnika jaotuskappidele
- Nukkvahetid / Lülitid
- Kliimaseade ja ventilatsioon jaoturitele
- Valgusallikad
- Optilised ja akustilised signalisatsiooniseadmed
- Tühjad plastilised jaoturid
- Klemmpaneelid
- Kompensatsioonikomponendid
- Temperatuuri regulaatorid ja sensorid
- Praeguse transformaatoreid
- Ajareleed
- Taseme regulaatorid
- Protokolli konverterid
- Kontrollreleed
- Aspiraatorid / ventilaatorid
- Pistikud, pistikud ja pikenduskaablid
Kõrgeim hind on €189,84
€
€