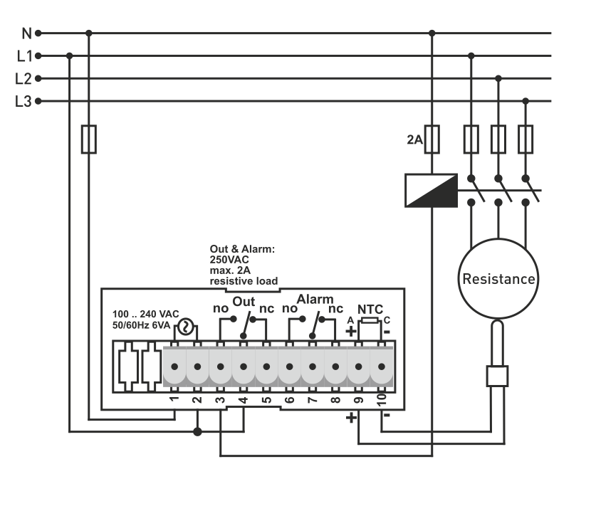
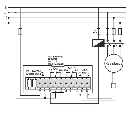
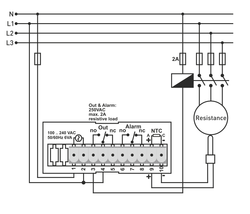
Temperatuuriregulaator paneelile paigaldamiseks ON - OFF koos välise anduriga
Kättesaadavuse laadimine ebaõnnestus
Termostaat / 2-punktiline temperatuuriregulaator paneelile paigaldamiseks ON-OFF juhtimisrežiim, mõõtepiirkond -19,9 °C - +99,9 °C, eraldusvõime / samm 0,1ºC (valmistatud Türgis, TENSE) DT-322
Kütte-, kliimaseadmete ja ventilatsioonisüsteemide, hooneautomaatika, tööstusettevõtete soojusprotsesside juhtimine ja jälgimine.
Anduri tüüp: NTC
Relee väljundid OUT ja ALARM (NO+NC) 250VAC, 2A
Valikuline kütte- ja jahutusfunktsioon
- Hüsteeriline
Reguleeritavad ON/OFF-taimerid väljundile OUT anduri rikke korral
- Kaitse kokkusurumise eest tänu reguleeritavatele väljalülitusaegadele
SET- ja ALARM-seadete ülemised ja alumised piirid
Reguleeritav eraldi hüsteerism SET- ja ALARM-seadete jaoks
OUT-i sisselülitamise viivitus jahutusrežiimis
EEPROM-mälu seadete salvestamiseks
Parooliga kaitsmine
Kõrge täpsus
Online makse kaardiga - pärast tellimuse lõpetamist suunatakse teid makseväravasse, makse kinnitamine saadetakse teile e-posti teel
Jõudmine - tasumine vastavalt maksekorraldusele, maksate transpordiettevõtte juhile
Ülekandega - teie e-posti aadressile saadetakse hiljemalt järgmisel tööpäeval ettemaksuarve, millel on pangakonto number, mille sisestate makse tegemisel.
Arve alusel - seda maksevarianti kasutavad partnerid, kellel on meie ettevõttega sõlmitud raamleping.
Kui soovite kasutada viimaseid 2 viisi, helistage meie juhile ja ta annab teile juhised, kuidas saada arve koos või ilma käibemaksuta.
Meie pakutavad elektrilised seadmed vastavad kõrgetele kvaliteedistandarditele, neil on 24-kuuline garantii ja nad vastavad kõigile ELi nõuetele.
Reklaamimise korral ei küsita kauba tagastamise eest mingeid tasusid.
