12 Tooted
Kontrollreleed
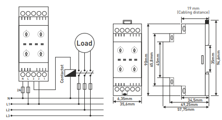
Kontrollreleed on hädavajalikud elektriliste parameetrite jälgimiseks ja reguleerimiseks tööstuslikes rakendustes. Pelek-ee.com -s pakume laia valikut kontrollreleede Türgi tootjatelt. Need releed pakuvad täpset ja usaldusväärset pinget, voolu ja teiste parameetrite jälgimist, mis on hädavajalik teie seadme ohutuks ja tõhusaks tööks. Meie kontrollreleed on saadaval erinevates versioonides, mis vastavad teie konkreetsete rakenduste vajadustele. Pelek-ee.com-st saate kvaliteetseid tooteid kiire kohaletoimetamise, professionaalse toe ja kvaliteedigarantii ning.
Filtreeri tooteid
- Mõõtetehnika jaotuskappidele
- Nukkvahetid / Lülitid
- Kliimaseade ja ventilatsioon jaoturitele
- Valgusallikad
- Optilised ja akustilised signalisatsiooniseadmed
- Tühjad plastilised jaoturid
- Klemmpaneelid
- Kompensatsioonikomponendid
- Temperatuuri regulaatorid ja sensorid
- Praeguse transformaatoreid
- Ajareleed
- Taseme regulaatorid
- Protokolli konverterid
- Kontrollreleed
- Aspiraatorid / ventilaatorid
- Pistikud, pistikud ja pikenduskaablid
Kõrgeim hind on €49,00
€
€