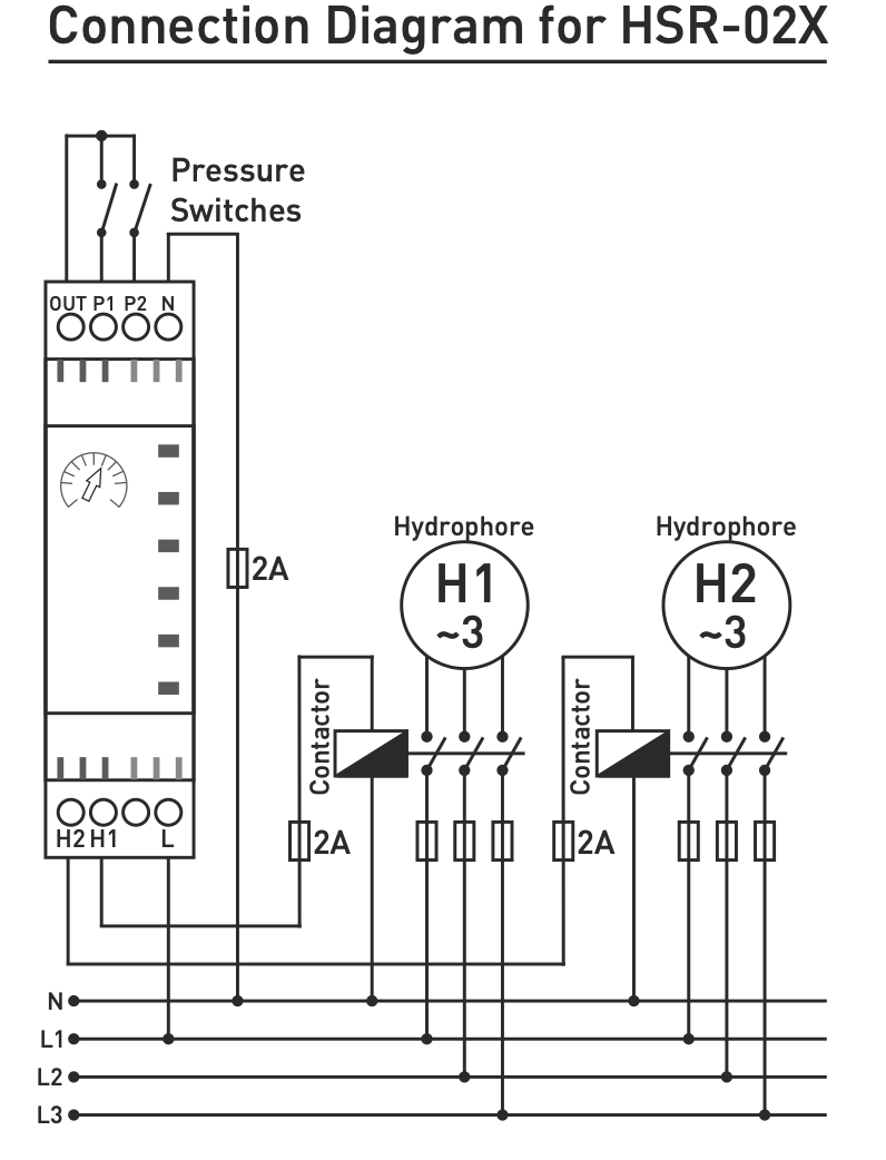
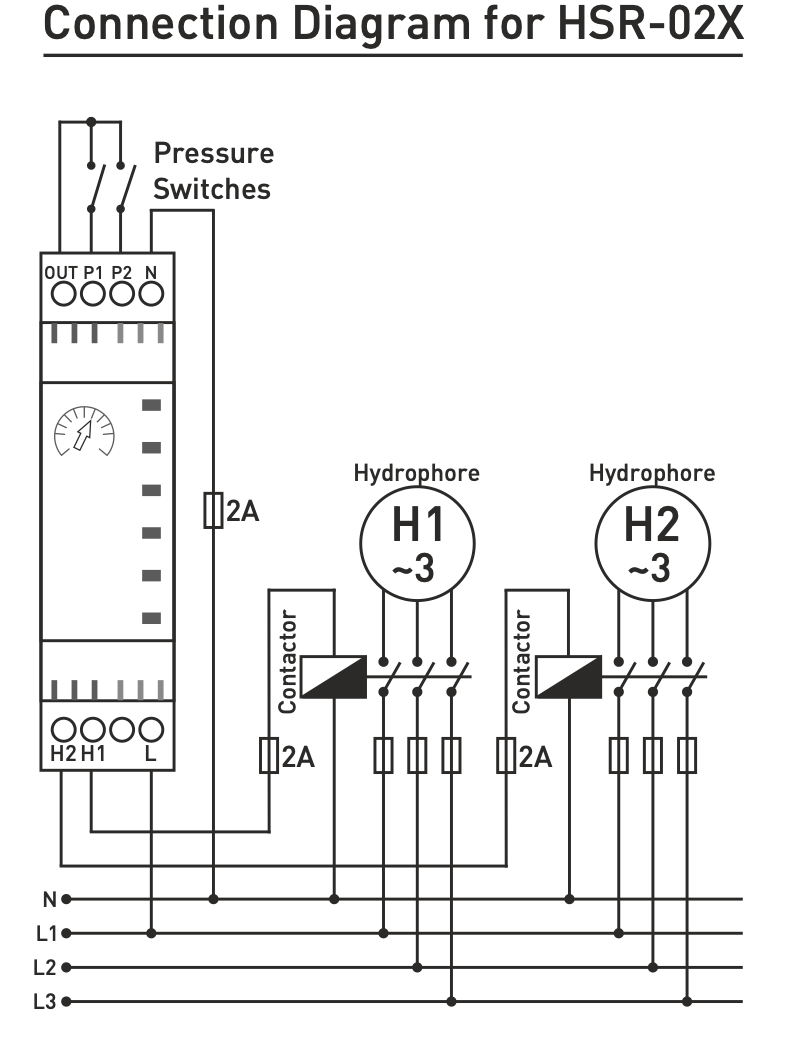
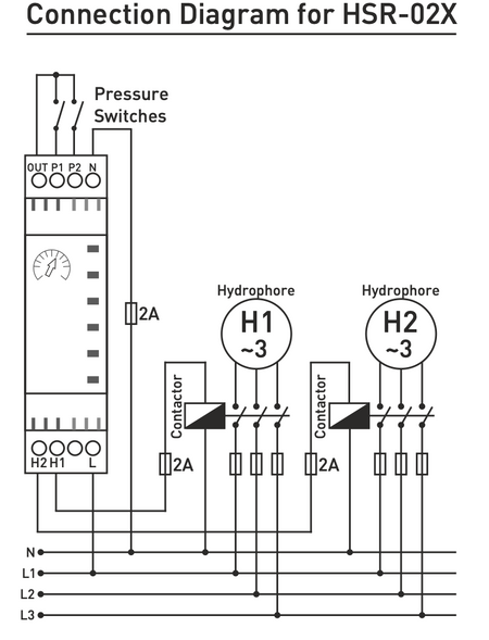
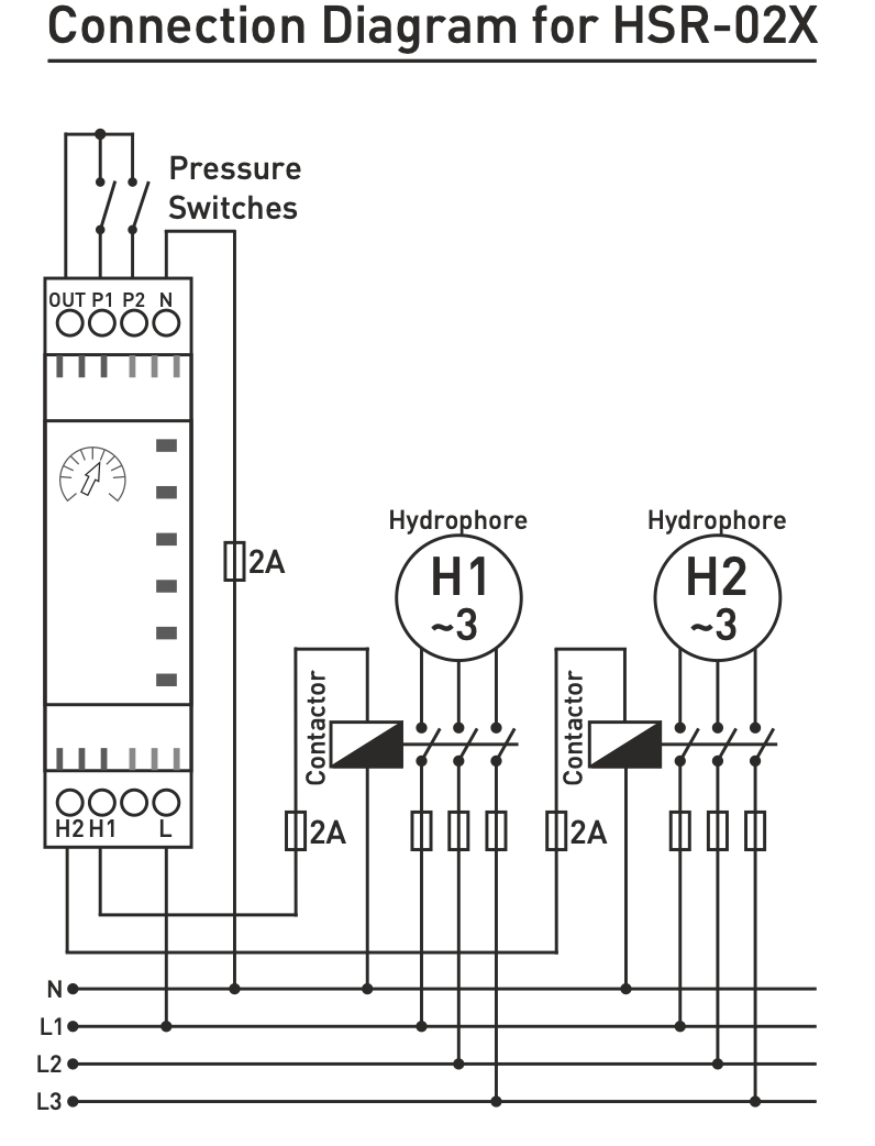
Hüdrofooride järjestusrežiimi relee koos taimeriga

Laos - Saadaval on 8 üksust
SKU: HSR-02X
Ühine hind €55,68 käibemaksuga

Hüdrofoori järjestikune relee koos taimeriga 2 pumbale

Hüdrofooride järjestikused releed on ette nähtud selleks, et kontrollida vastavalt rõhule töötavate pumplate arvu ja tagada, et pumplad töötavad korraga.

Online makse kaardiga - pärast tellimuse lõpetamist suunatakse teid makseväravasse, makse kinnitamine saadetakse teile e-posti teel

Jõudmine -  tasumine vastavalt maksekorraldusele, maksate transpordiettevõtte juhile

Ülekandega - teie e-posti aadressile saadetakse hiljemalt järgmisel tööpäeval ettemaksuarve, millel on pangakonto number, mille sisestate makse tegemisel.

Arve alusel - seda maksevarianti kasutavad partnerid, kellel on meie ettevõttega sõlmitud raamleping.

​Kui soovite kasutada viimaseid 2 viisi, helistage meie juhile ja ta annab teile juhised, kuidas saada arve koos või ilma käibemaksuta​.

Meie pakutavad elektrilised seadmed vastavad kõrgetele kvaliteedistandarditele, neil on 24-kuuline garantii ja nad vastavad kõigile ELi nõuetele.

Reklaamimise korral ei küsita kauba tagastamise eest mingeid tasusid.