Ajaviirerelee 230 V/AC (ON DELAY)48 x 48 mm

Laos - Saadaval on 10 üksust
SKU: ERP-03Y
Ühine hind €17,84 käibemaksuga
Ajavahemik

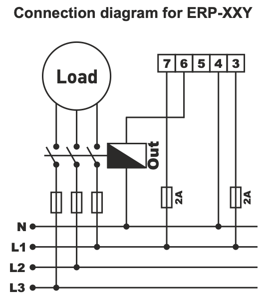
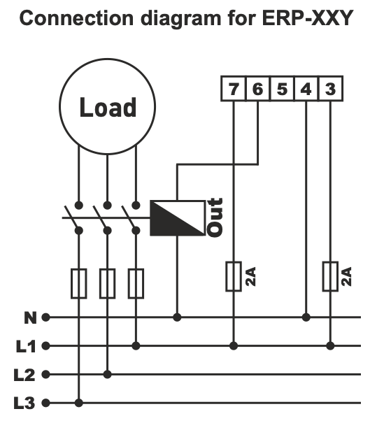
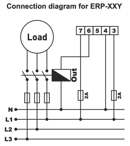
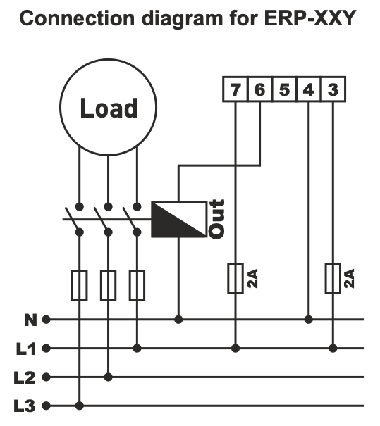
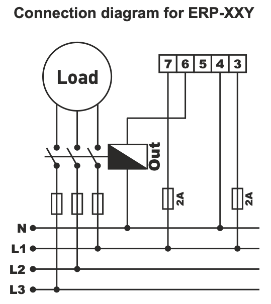
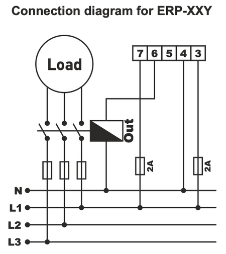
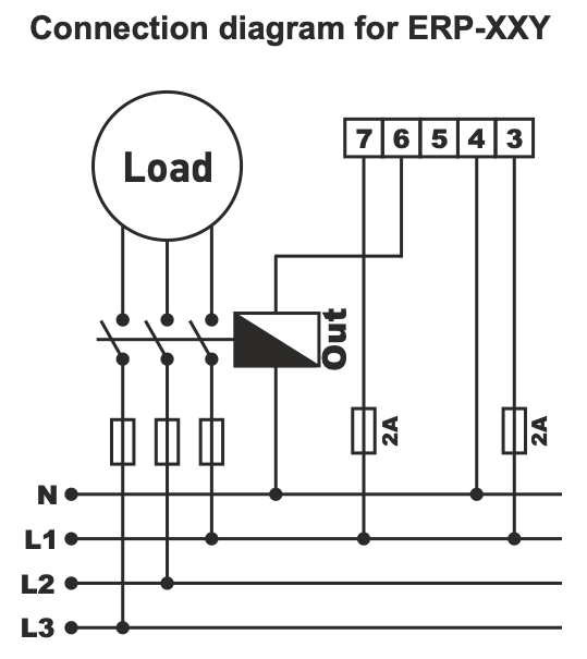
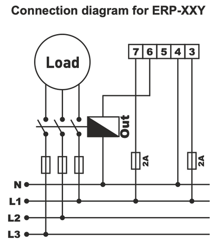
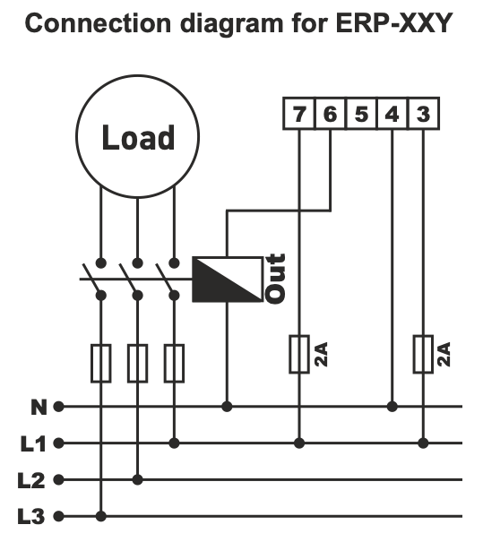
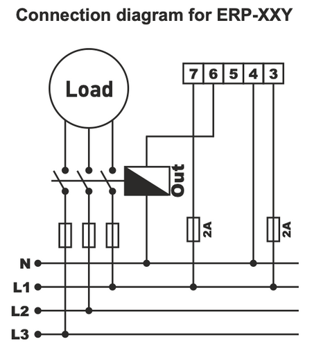
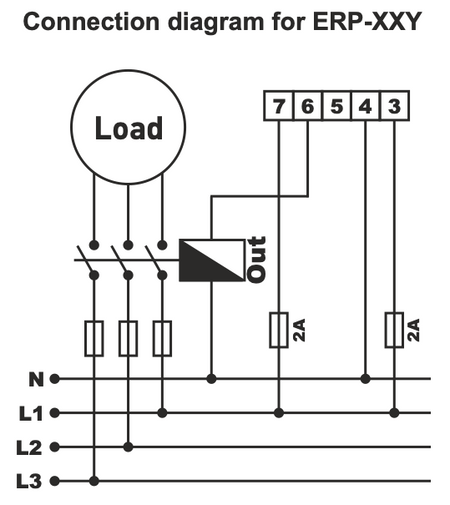
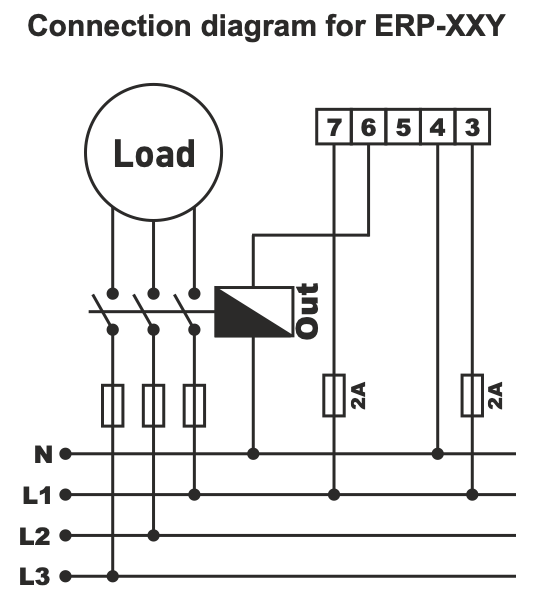
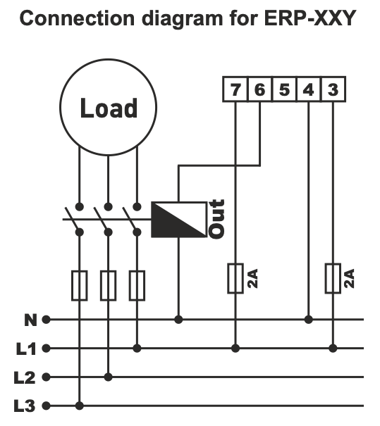
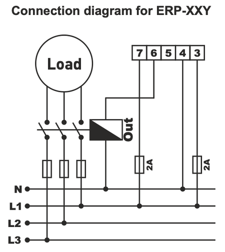
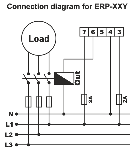
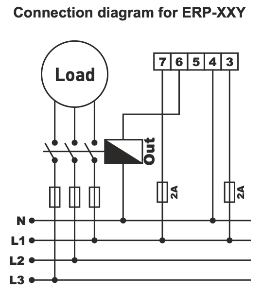
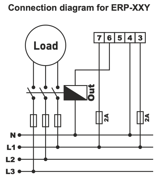
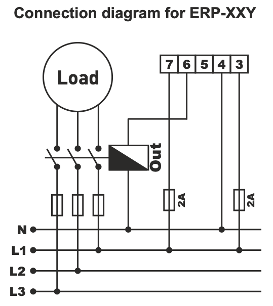
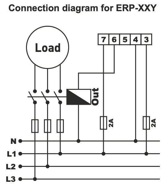
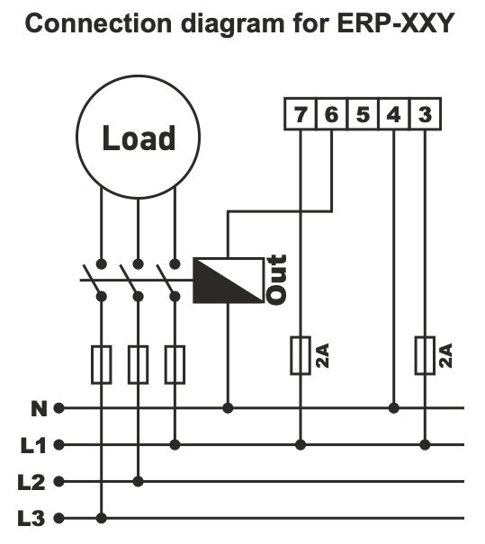
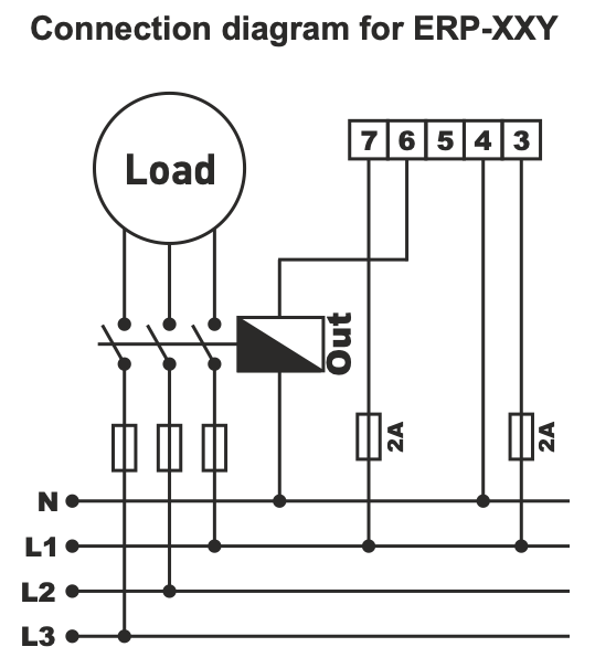
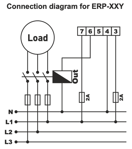
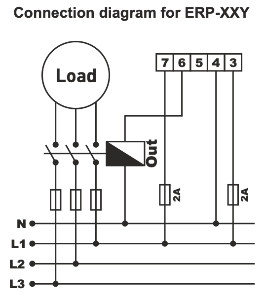
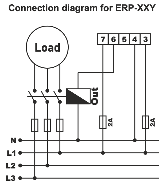
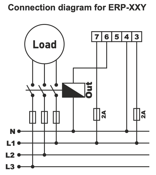
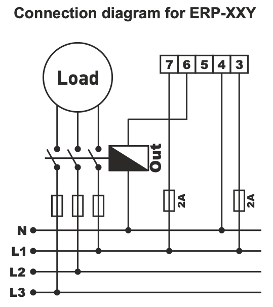
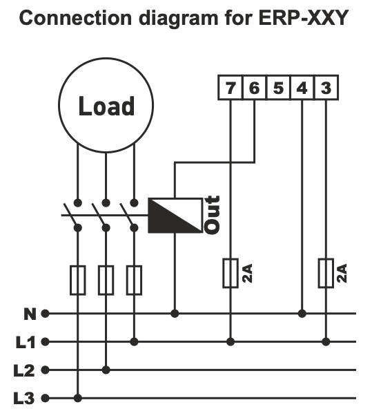
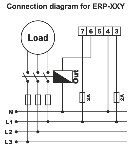
Sisseehitatud monofunktsionaalne relee 230 V/AC, millel on 1 lülituskontakt.

Ajaviivitus/ajarelee kasutatakse koormuste etapiviisiliseks lülitamiseks: elektriboilerid, ahjud, küttekehad jne. ja hoiab seega ära vooluülekanded võrgus ja kaitselülitite välja lülitumise suurte ülepingete tõttu.

Seda saab kasutada ka mitme seadme sisselülitusaja koordineerimiseks masinates, seadmetes või muudes seadmetes.

Ajavahemik:

ERP-03Y - 0-3 s

ERP-12Y - 0-12 s

ERP-30Y - 0-30 s

ERP-60Y - 0-60 s

ERP-03DY - 0-3 min.

ERP-12DY - 0-12 min.

ERP-30DY - 0-30 min.

ERP-60DY - 0-60 min.

Online makse kaardiga - pärast tellimuse lõpetamist suunatakse teid makseväravasse, makse kinnitamine saadetakse teile e-posti teel

Jõudmine -  tasumine vastavalt maksekorraldusele, maksate transpordiettevõtte juhile

Ülekandega - teie e-posti aadressile saadetakse hiljemalt järgmisel tööpäeval ettemaksuarve, millel on pangakonto number, mille sisestate makse tegemisel.

Arve alusel - seda maksevarianti kasutavad partnerid, kellel on meie ettevõttega sõlmitud raamleping.

​Kui soovite kasutada viimaseid 2 viisi, helistage meie juhile ja ta annab teile juhised, kuidas saada arve koos või ilma käibemaksuta​.

Meie pakutavad elektrilised seadmed vastavad kõrgetele kvaliteedistandarditele, neil on 24-kuuline garantii ja nad vastavad kõigile ELi nõuetele.

Reklaamimise korral ei küsita kauba tagastamise eest mingeid tasusid.