Asümmeetriline tsükler - vilkur impulsi alguses , vilkur pausi alguses

Laos - Saadaval on 24 üksust
SKU: ERV-09
Ühine hind €34,32 käibemaksuga

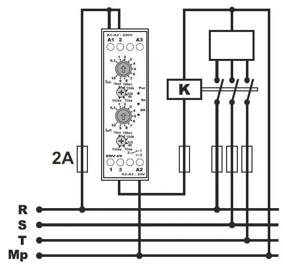
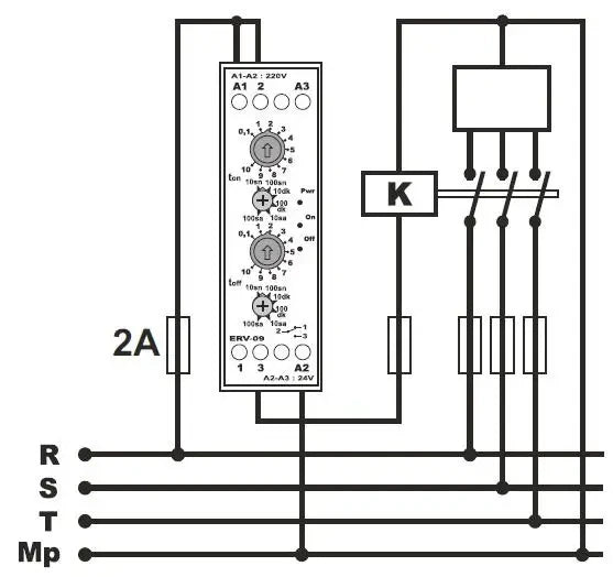
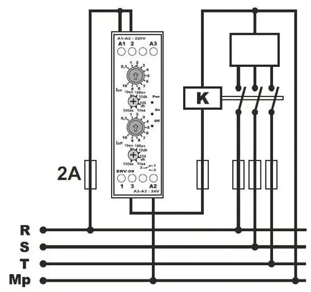
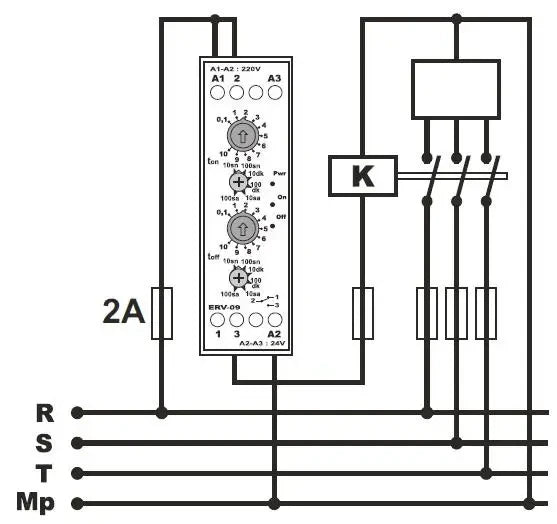
Ajarelee - vilkumine impulsi alguses , vilkumine pausi alguses tsükliline relee - sümmeetriline / asümmeetriline tsükkel

Tsüklilist releed või tsüklilist ajarelet kasutatakse elektriliste koormuste (nt tuled, ventilaatorid jne) perioodiliseks sisselülitamiseks või automaatsete seire- või juhtimissüsteemide juhtimissignaalide (nt hädaolukorras vilkuvate tulede või helisignaalide sisselülitamine) sisselülitamiseks. See tsükliline taimer võib olla kasulik automaatsete ventilatsiooniprotsesside korraldamiseks, akende avamiseks ja sulgemiseks, kütte või ventilatsiooni perioodiliseks sisselülitamiseks, valgustamiseks või reklaammärkide pööramiseks.

Kui seadistada relee nii, et selle sisse- ja pausiaeg on sümmeetriline, saab seda kasutada näiteks teatud elektriseadmete järkjärguliseks sisselülitamiseks voolu/võimsuse piiramise korral (kütteseadmed, soojusgeneraatorid). Lülitusväljundkontakti olemasolu võimaldab käivitada tsüklit kas impulssides või pausiga.

  • ajarelee - tsükler, mille väljundi sisse- ja väljalülitamise aeg on sõltumatult reguleeritav.
  • kasutatakse regulaarse ruumi ventilatsiooni, tsüklilise niiskuskuivatuse, valgustuse juhtimise, tsirkulatsioonipumpade, valgusreklaami jne puhul.
  • Ajarelee on paigaldatud standardsele 35 mm DIN-kandurile

Online makse kaardiga - pärast tellimuse lõpetamist suunatakse teid makseväravasse, makse kinnitamine saadetakse teile e-posti teel

Jõudmine -  tasumine vastavalt maksekorraldusele, maksate transpordiettevõtte juhile

Ülekandega - teie e-posti aadressile saadetakse hiljemalt järgmisel tööpäeval ettemaksuarve, millel on pangakonto number, mille sisestate makse tegemisel.

Arve alusel - seda maksevarianti kasutavad partnerid, kellel on meie ettevõttega sõlmitud raamleping.

​Kui soovite kasutada viimaseid 2 viisi, helistage meie juhile ja ta annab teile juhised, kuidas saada arve koos või ilma käibemaksuta​.

Meie pakutavad elektrilised seadmed vastavad kõrgetele kvaliteedistandarditele, neil on 24-kuuline garantii ja nad vastavad kõigile ELi nõuetele.

Reklaamimise korral ei küsita kauba tagastamise eest mingeid tasusid.