Digitaalne ülevoolurelee 3×3-kohalise LED-ekraaniga TRM-300

Laos - Saadaval on 5 üksust
SKU: TRM-300
Ühine hind €155,48 käibemaksuga
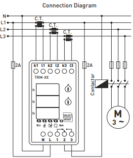
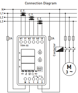
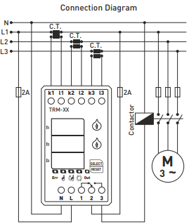
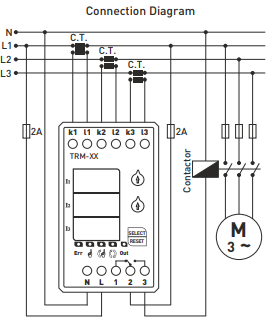
Digitaalsed termoreleed on mõeldud koormuste kaitsmiseks ja kontrollimiseks suure voolu põhjustatud kahjustuste eest. 190A - 300A (reguleeritav ülekoormuse väärtus) 50% fikseeritud voolu asümmeetria Reguleeritav vea viivitusaeg Reguleeritav töörežiim (automaatne, poolautomaatne, käsitsi) Kaasa arvatud voolu mõõtmise trafod Tehnilised andmed: -20°C kuni +55°C Näidik: 3x3-kohaline näidik + 5 valgusdioodi Suurvool (ülekoormus): TRM-50: 15A - 50A TRM-100: 40A - 100A TRM-200: 90A - 200A TRM-300: 190A - 300A TRM-400: 290A - 400A Viivitus (t): TRM-50/100: 0,1 s - 20 s TRM-200/300/400: 1 s - 200 s Ühendustüüp: klamber Kontakt: 5A/250VAC (takistuslik koormus) Kaabli läbimõõt: 2,5 mm² Kaal: max. 250 g Paigaldamine.

Online makse kaardiga - pärast tellimuse lõpetamist suunatakse teid makseväravasse, makse kinnitamine saadetakse teile e-posti teel

Jõudmine -  tasumine vastavalt maksekorraldusele, maksate transpordiettevõtte juhile

Ülekandega - teie e-posti aadressile saadetakse hiljemalt järgmisel tööpäeval ettemaksuarve, millel on pangakonto number, mille sisestate makse tegemisel.

Arve alusel - seda maksevarianti kasutavad partnerid, kellel on meie ettevõttega sõlmitud raamleping.

​Kui soovite kasutada viimaseid 2 viisi, helistage meie juhile ja ta annab teile juhised, kuidas saada arve koos või ilma käibemaksuta​.

Meie pakutavad elektrilised seadmed vastavad kõrgetele kvaliteedistandarditele, neil on 24-kuuline garantii ja nad vastavad kõigile ELi nõuetele.

Reklaamimise korral ei küsita kauba tagastamise eest mingeid tasusid.