RGT-12SVC - Reaktiivvõimsuse kontroller 12-tasemeline +TCR koos RS485 ModBus RTU-ga

Ainult 3 on jäänud
SKU: RGT-12(SVC)
Ühine hind €262,80 käibemaksuga

12 astet + TCR võimsusteguri kontroller 2,9" graafilise LCD-ekraaniga ja RS-485 (TENSE)

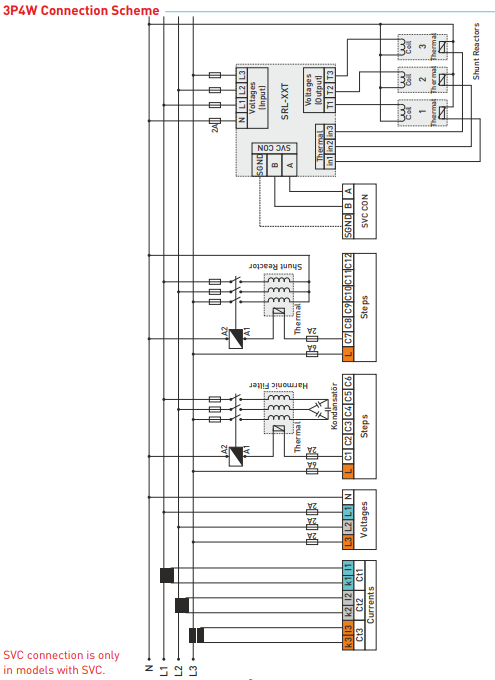
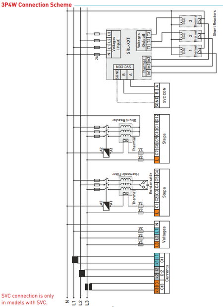
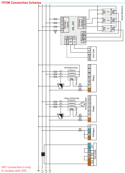
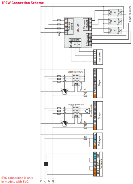
RGT-12SVC reaktiivvõimsuse regulaator (TENSE ) on täisautomaatne seade kompensatsiooniastmete optimaalseks lülitamiseks.

Regulaatori poolt mõõdetud väärtuste digitaalne töötlemine tagab suure täpsuse efektiivse pinge, voolu ja võimsusteguri hindamisel.

Seadme paigaldamine on täielikult automaatne - regulaator määrab ise üksikute ühendatud kompensatsioonietappide suuruse. Neid parameetreid saab sisestada ka otse käsitsi.

Regulaator lülitab kompensatsiooniastmed sisse ja välja nii, et reaktiivvõimsust reguleeritakse minimaalse arvu lülitustoimingutega. Samal ajal võtab kontroller arvesse üksikute astmete ühtlast koormust ja lülitab eelistatult välja need astmed, mis on kõige kauem pingevabaks jäänud ja mille jääklaadimine on minimaalne. Reguleerimisprotsessi ajal jälgitakse paralleelselt pidevalt kompensatsioonietappe - tuvastatakse rikkeid ja väärtuste muutusi, ajutiselt eemaldatud etappe testitakse perioodiliselt ja vajaduse korral lülitatakse need uuesti reguleerimisprotsessi.

  • Generaatori sisend ja generaatori kompenseerimine

  • Hit, tühjendus- ja settimisajad on seadistatavad

  • Kaugkommunikatsioon RS485 abil (RS485 ModBus RTU)

  • Ühe-, kahe- ja kolmefaasilise kondensaatori ja šuntreaktori saab ühendada

  • Harmoonilist pinget ja voolu saab jälgida kuni 31. harmoonikani

  • Kogu energiat (import/eksport) saab jälgida.

  • Iga faasi THD-V ja THD-I väärtusi saab jälgida.

  • Võimsuse analüüs (20 proovi 9999 min.) - kondensaatorite valimiseks.

Online makse kaardiga - pärast tellimuse lõpetamist suunatakse teid makseväravasse, makse kinnitamine saadetakse teile e-posti teel

Jõudmine -  tasumine vastavalt maksekorraldusele, maksate transpordiettevõtte juhile

Ülekandega - teie e-posti aadressile saadetakse hiljemalt järgmisel tööpäeval ettemaksuarve, millel on pangakonto number, mille sisestate makse tegemisel.

Arve alusel - seda maksevarianti kasutavad partnerid, kellel on meie ettevõttega sõlmitud raamleping.

​Kui soovite kasutada viimaseid 2 viisi, helistage meie juhile ja ta annab teile juhised, kuidas saada arve koos või ilma käibemaksuta​.

Meie pakutavad elektrilised seadmed vastavad kõrgetele kvaliteedistandarditele, neil on 24-kuuline garantii ja nad vastavad kõigile ELi nõuetele.

Reklaamimise korral ei küsita kauba tagastamise eest mingeid tasusid.