TK40 - voolu mõõtmise trafo 300/5 400/5 500/5 600/5 800/5 800/5

Laos - Saadaval on 12 üksust
SKU: TK403005302
Ühine hind €19,48 käibemaksuga
Mark

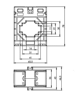
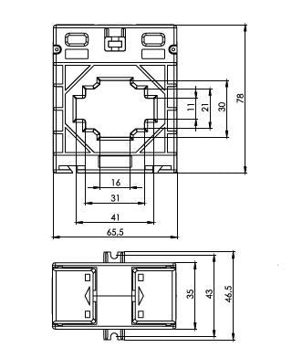
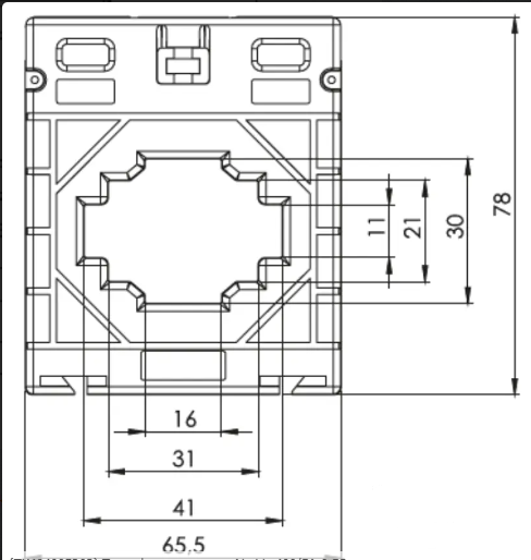
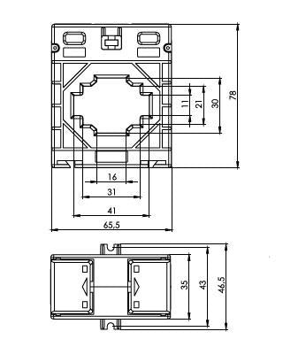
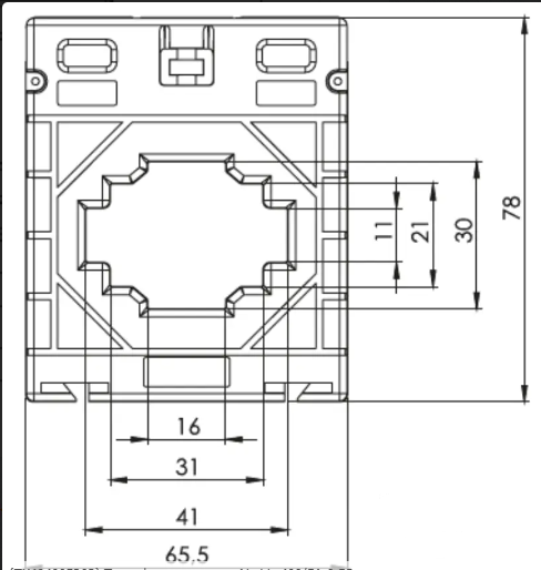
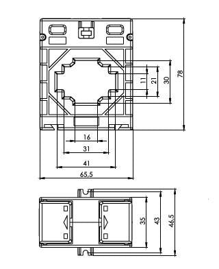
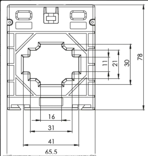
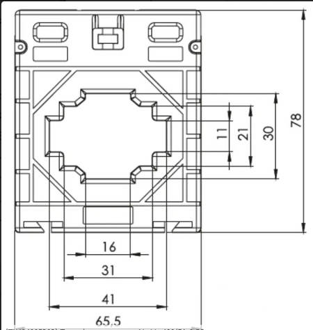
Slide-on mõõtetrafo primaarsetele nimivooludele 300 kuni 800 A, sekundaarvoolule 5 A, nimiväljundid 1,5 kuni 10 VA, saadaval 0,5S täpsusklassis.

Slip-on voolutrafo sinusoidsete vahelduvvoolude kaudseks mõõtmiseks

Trafo paigaldamine toimub kas tarnes sisalduvate paigaldusjalgade abil.

Online makse kaardiga - pärast tellimuse lõpetamist suunatakse teid makseväravasse, makse kinnitamine saadetakse teile e-posti teel

Jõudmine -  tasumine vastavalt maksekorraldusele, maksate transpordiettevõtte juhile

Ülekandega - teie e-posti aadressile saadetakse hiljemalt järgmisel tööpäeval ettemaksuarve, millel on pangakonto number, mille sisestate makse tegemisel.

Arve alusel - seda maksevarianti kasutavad partnerid, kellel on meie ettevõttega sõlmitud raamleping.

​Kui soovite kasutada viimaseid 2 viisi, helistage meie juhile ja ta annab teile juhised, kuidas saada arve koos või ilma käibemaksuta​.

Meie pakutavad elektrilised seadmed vastavad kõrgetele kvaliteedistandarditele, neil on 24-kuuline garantii ja nad vastavad kõigile ELi nõuetele.

Reklaamimise korral ei küsita kauba tagastamise eest mingeid tasusid.