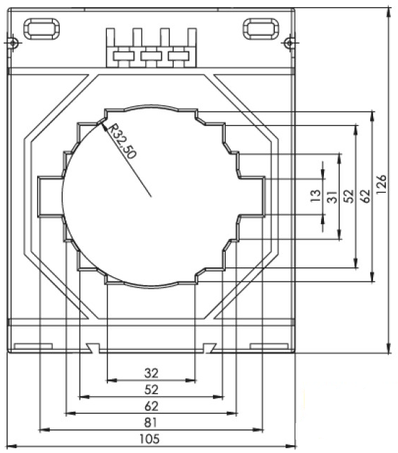
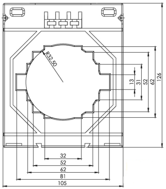
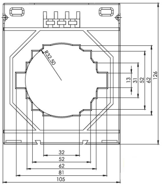
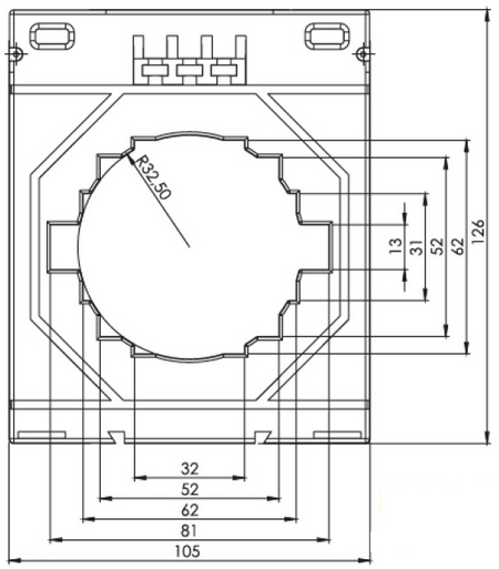
TK80 - voolu mõõtmise trafo 1500/5
Kättesaadavuse laadimine ebaõnnestus
Slide-on mõõtetrafo 1500 A primaarsele nimivoolule, 5 A sekundaarvoolule, 25 VA nimiväljunditele, saadaval 0,5S täpsusklassis.
Slip-on voolutrafo sinusoidsete vahelduvvoolude kaudseks mõõtmiseks.
Trafo paigaldamine toimub kas kaasasolevate paigaldusjalgade abil.
Online makse kaardiga - pärast tellimuse lõpetamist suunatakse teid makseväravasse, makse kinnitamine saadetakse teile e-posti teel
Jõudmine - tasumine vastavalt maksekorraldusele, maksate transpordiettevõtte juhile
Ülekandega - teie e-posti aadressile saadetakse hiljemalt järgmisel tööpäeval ettemaksuarve, millel on pangakonto number, mille sisestate makse tegemisel.
Arve alusel - seda maksevarianti kasutavad partnerid, kellel on meie ettevõttega sõlmitud raamleping.
Kui soovite kasutada viimaseid 2 viisi, helistage meie juhile ja ta annab teile juhised, kuidas saada arve koos või ilma käibemaksuta.
Meie pakutavad elektrilised seadmed vastavad kõrgetele kvaliteedistandarditele, neil on 24-kuuline garantii ja nad vastavad kõigile ELi nõuetele.
Reklaamimise korral ei küsita kauba tagastamise eest mingeid tasusid.