Tsükliline aeg + ON-DELAY relee LED-ekraan paneelile/uksele paigaldamiseks

Laos - Saadaval on 4 üksust
SKU: ERD-48K
Ühine hind €44,56 käibemaksuga

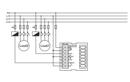
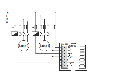
Ajatsükliline + ON-DELAY relee LED-ekraan paneelile/uksele paigaldamiseks 230VAC - vilkumine impulsi alguses , vilkumine pausi alguses tsükliline relee, viivitusega ajaviitja. TENSE ERD-48K

Ajarelee kahe funktsiooniga - sisselülitusfunktsioon ja tsüklilise relee funktsioon.

Aja seadistusvahemik:

99,9 sekundit, 999 sekundit, 99,9 minutit või 999 minutit (valikuline esipaneel).

Online makse kaardiga - pärast tellimuse lõpetamist suunatakse teid makseväravasse, makse kinnitamine saadetakse teile e-posti teel

Jõudmine -  tasumine vastavalt maksekorraldusele, maksate transpordiettevõtte juhile

Ülekandega - teie e-posti aadressile saadetakse hiljemalt järgmisel tööpäeval ettemaksuarve, millel on pangakonto number, mille sisestate makse tegemisel.

Arve alusel - seda maksevarianti kasutavad partnerid, kellel on meie ettevõttega sõlmitud raamleping.

​Kui soovite kasutada viimaseid 2 viisi, helistage meie juhile ja ta annab teile juhised, kuidas saada arve koos või ilma käibemaksuta​.

Meie pakutavad elektrilised seadmed vastavad kõrgetele kvaliteedistandarditele, neil on 24-kuuline garantii ja nad vastavad kõigile ELi nõuetele.

Reklaamimise korral ei küsita kauba tagastamise eest mingeid tasusid.