3 Phase Digital Panel Meters Current Multimeter Voltage Frequency Indicator

In stock - 8 items available
SKU: EM-100D
Common price €61,52 with VAT
Mark

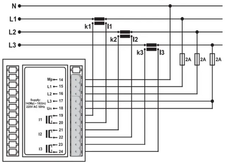
Multimeter - 3-phase panel multimeter, multifunctional digital panel meter, current, voltage and frequency display, manufacturer TENSE (Turkey), panel meter

Three-phase VAHz AC panel meter for measuring current and voltage and checking phase connections in three-phase AC devices, machines or distribution systems.

Main advantages:

  • (I,U(LL,LN,HZ);
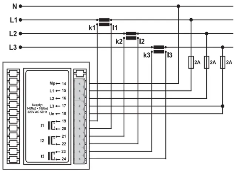
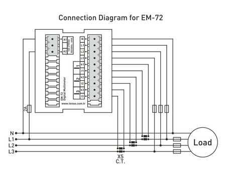
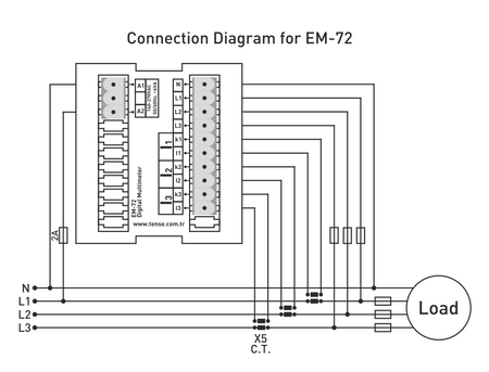
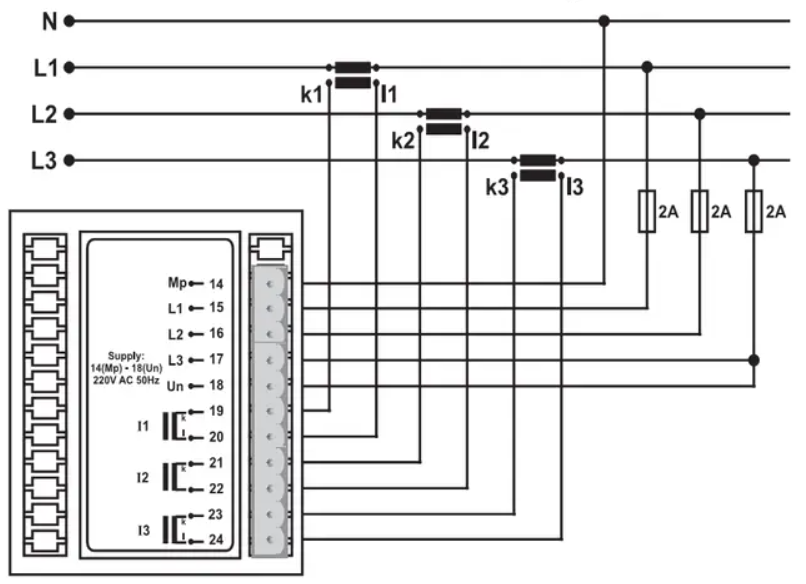
  • Measuring range:
  1. (EM-06 and EM-72), indirect measurement 5/5...9995/5A (EM-06 and EM-72), 1A - 100A (EM-100D), 2-250A (EM-250D);
  2. Voltage - 1V-300V AC (LN), 1V-500V AC (LL);

  3. Frequency - 40Hz-60Hz;
  • Phase tracking;

  • Including measuring transformer (EM-100D and EM-250D).

This multimeter (EM-06/EM-72) is usually used with current measuring transformers - 60/5 75/5 100/5 150/5 200/5 250/5 300/5 400/5 500/5 600/5 800/5 1000/5 1500/5 etc. You can buy such transformers in our online store,

Online payment by card - after completing your order, you will be redirected to the payment gateway, payment confirmation will be sent to you by email

Arrival - payment according to the payment order, you pay the driver of the transport company

By transfer - a prepayment invoice will be sent to your email address no later than the next business day, with the bank account number that you enter when making the payment.

By invoice - this payment option is used by partners who have a framework agreement with our company.

If you want to use the last 2 methods, call our manager and he will give you instructions on how to receive an invoice with or without VAT.

The electrical appliances we offer meet high quality standards, have a 24-month warranty, and meet all EU requirements.

In the case of advertising, no fees are charged for returning the goods.