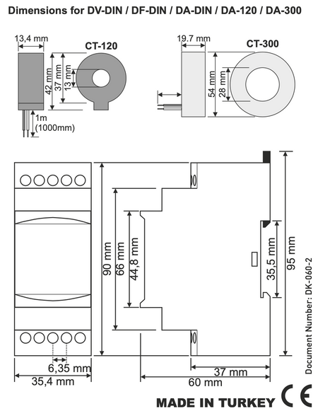
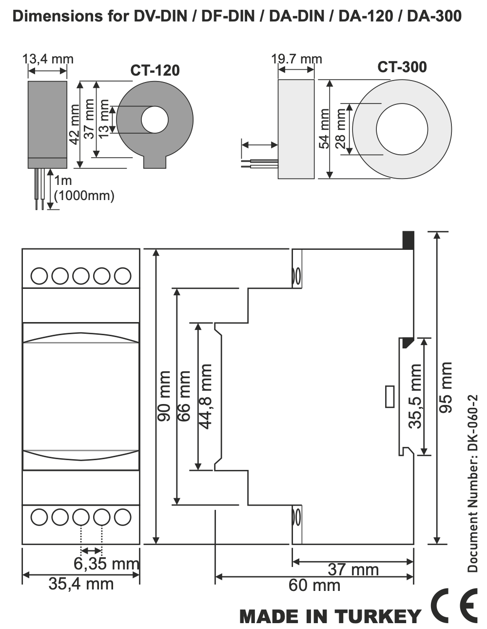
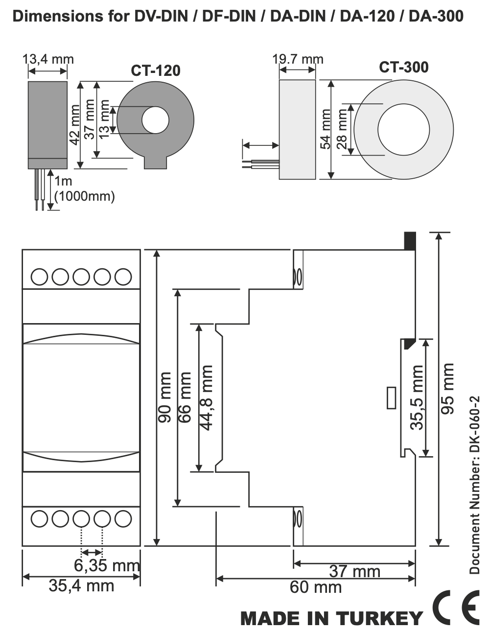
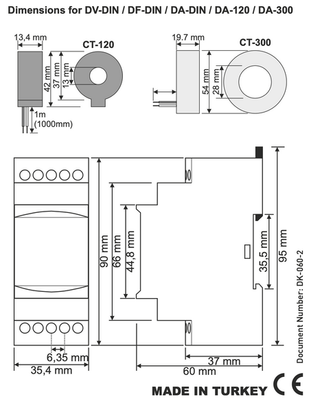
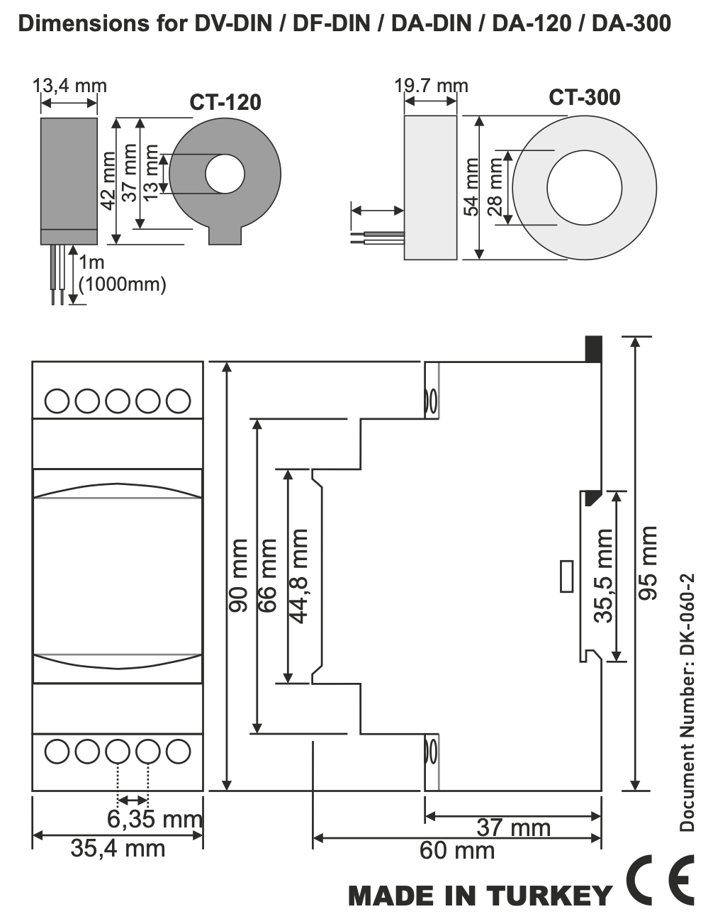
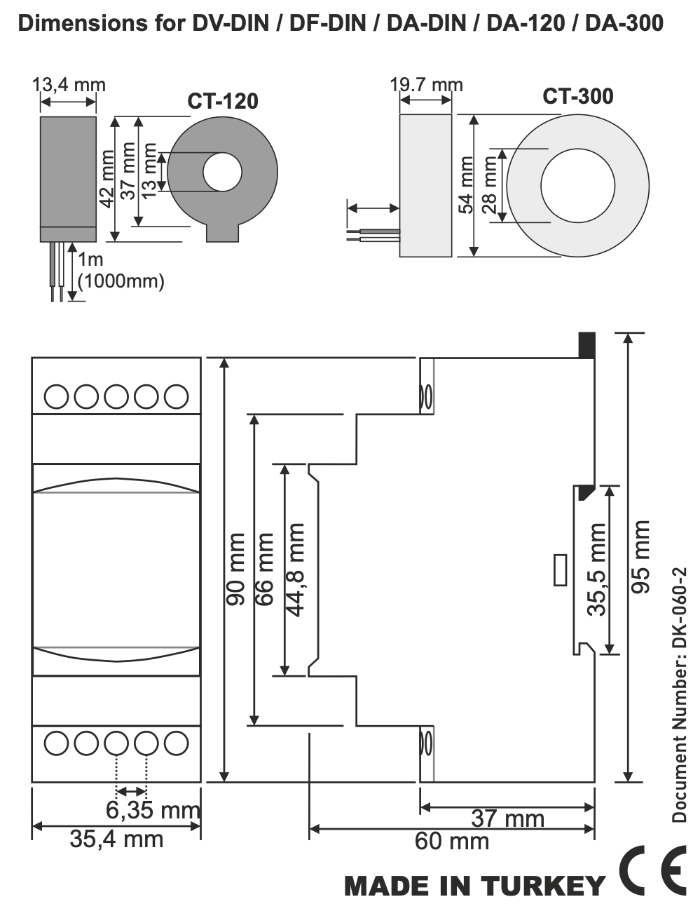
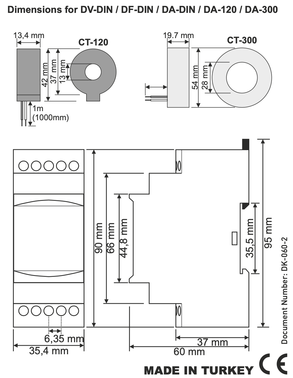
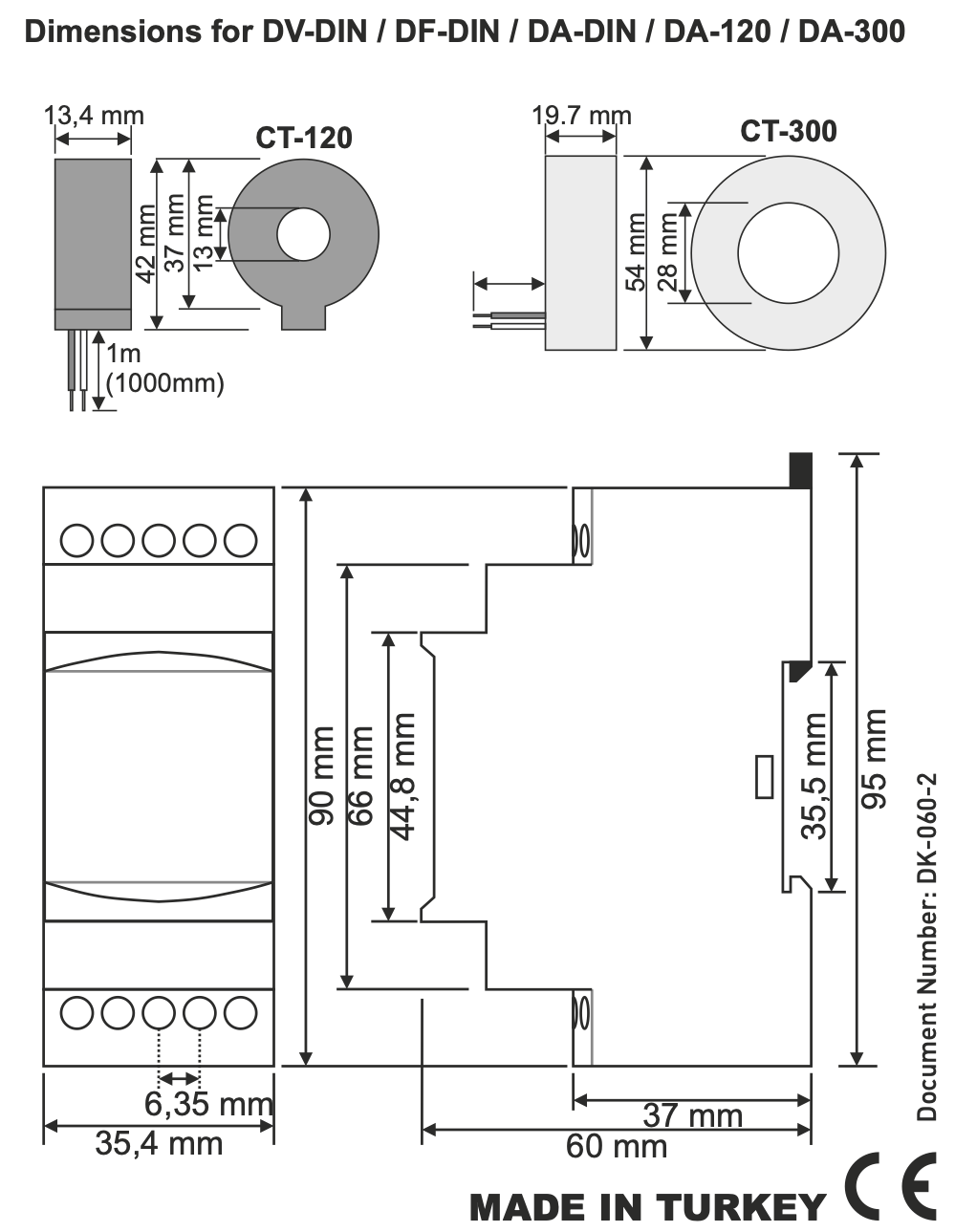
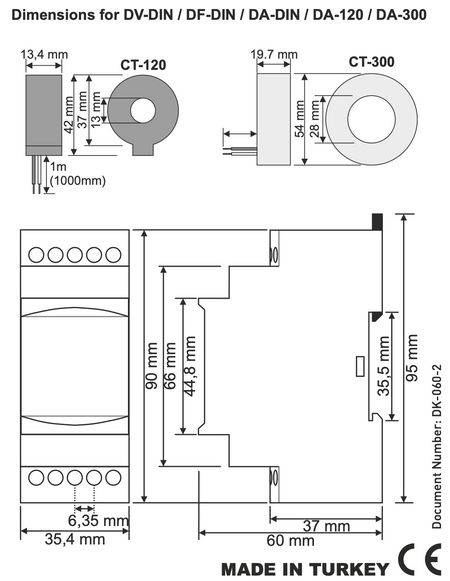
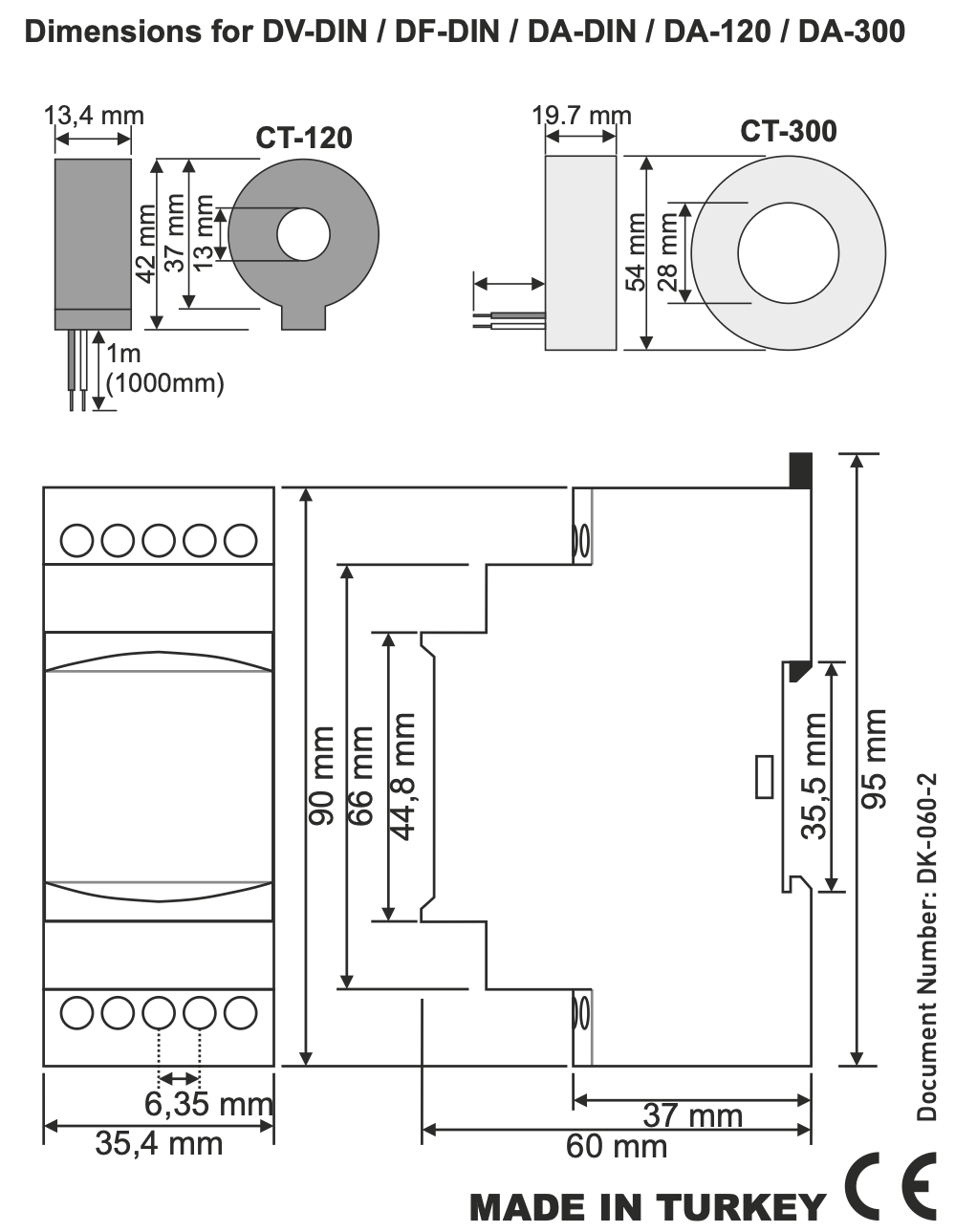
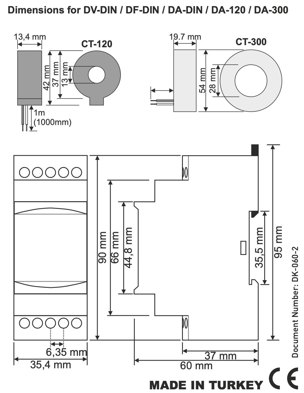
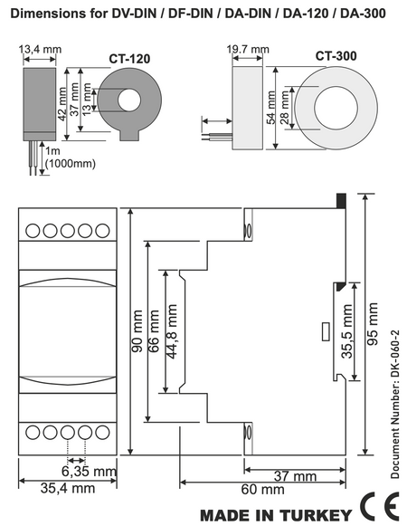
DA-DIN Digital ammeter with alternating current 100 or 250 amps
Failed to load pickup availability
Digital ammeter for alternating current 100 or 250 amps True RMS, indirect measurement, measuring transformer included, TENSE panel meters
Ammeter mounting on a standard 35 mm DIN rail
Online payment by card - after completing your order, you will be redirected to the payment gateway, payment confirmation will be sent to you by email
Arrival - payment according to the payment order, you pay the driver of the transport company
By transfer - a prepayment invoice will be sent to your email address no later than the next business day, with the bank account number that you enter when making the payment.
By invoice - this payment option is used by partners who have a framework agreement with our company.
If you want to use the last 2 methods, call our manager and he will give you instructions on how to receive an invoice with or without VAT.
The electrical appliances we offer meet high quality standards, have a 24-month warranty, and meet all EU requirements.
In the case of advertising, no fees are charged for returning the goods.
