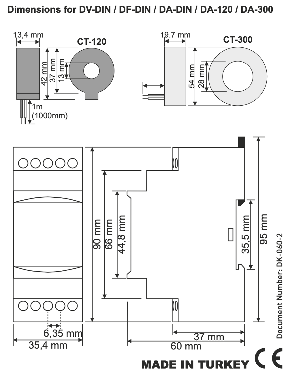
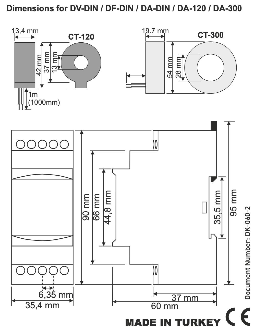
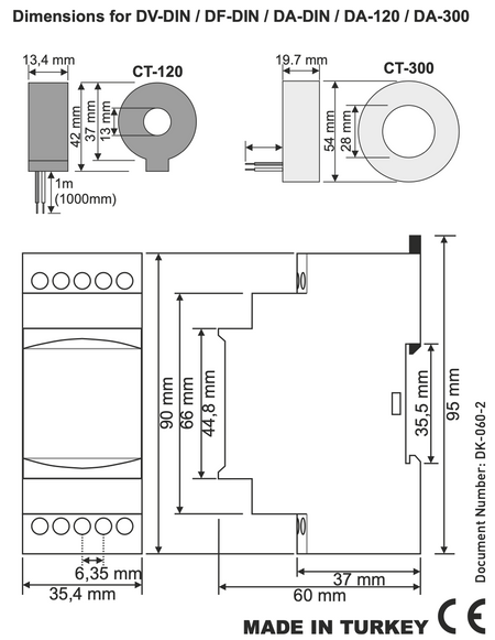
DV-DIN Digital voltmeter for measuring AC voltage 0-500 V, panel computers
Failed to load pickup availability
Digital voltmeter for AC voltage 0-500V True RMS, panel meter TENSE
The voltmeter mounts to a standard 35 mm DIN rail
Online payment by card - after completing your order, you will be redirected to the payment gateway, payment confirmation will be sent to you by email
Arrival - payment according to the payment order, you pay the driver of the transport company
By transfer - a prepayment invoice will be sent to your email address no later than the next business day, with the bank account number that you enter when making the payment.
By invoice - this payment option is used by partners who have a framework agreement with our company.
If you want to use the last 2 methods, call our manager and he will give you instructions on how to receive an invoice with or without VAT.
The electrical appliances we offer meet high quality standards, have a 24-month warranty, and meet all EU requirements.
In the case of advertising, no fees are charged for returning the goods.
