Three-phase monitoring/protection relay for overvoltage, undervoltage and unbalance sequence control.
Failed to load pickup availability
Three-phase monitoring and protection relay for monitoring sequence, tripping, phase asymmetry, overvoltage, undervoltage and neutral switching with timer and display. Protection relay FKV-03HF (TENSE)
Phase protection relays are designed to protect three-phase loads from damage caused by mains voltage.
- Voltage: 400V - 480V AC (adjustable)
- Sub-voltage: 260V - 360V AC (adjustable)
- Asymmetry: 5% - 25% (adjustable)
- Phase sequence check
- Timer: 1 sec. - 30 sec (adjustable)
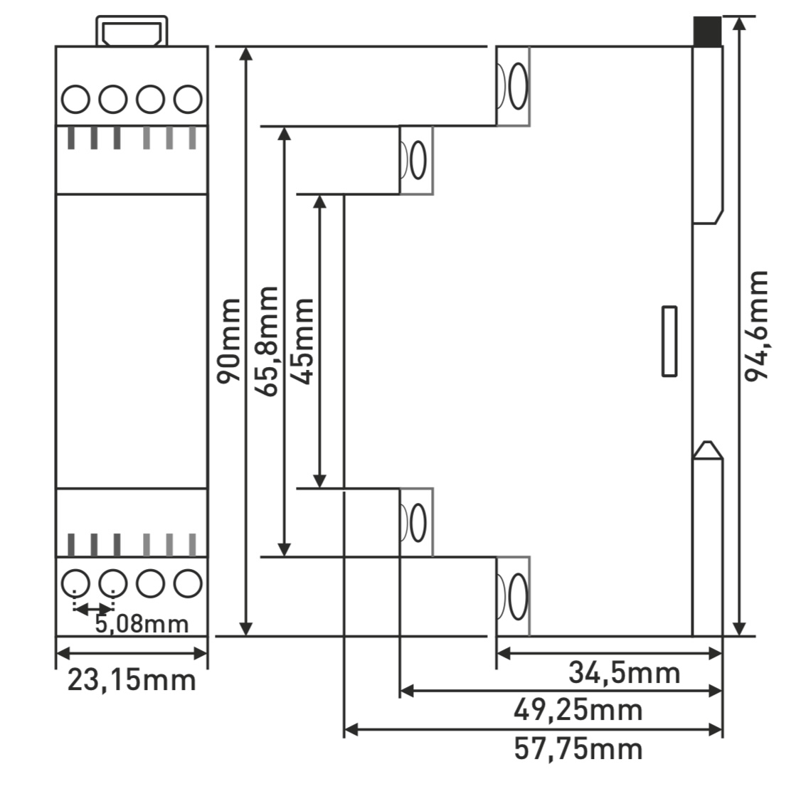
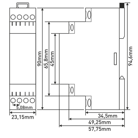
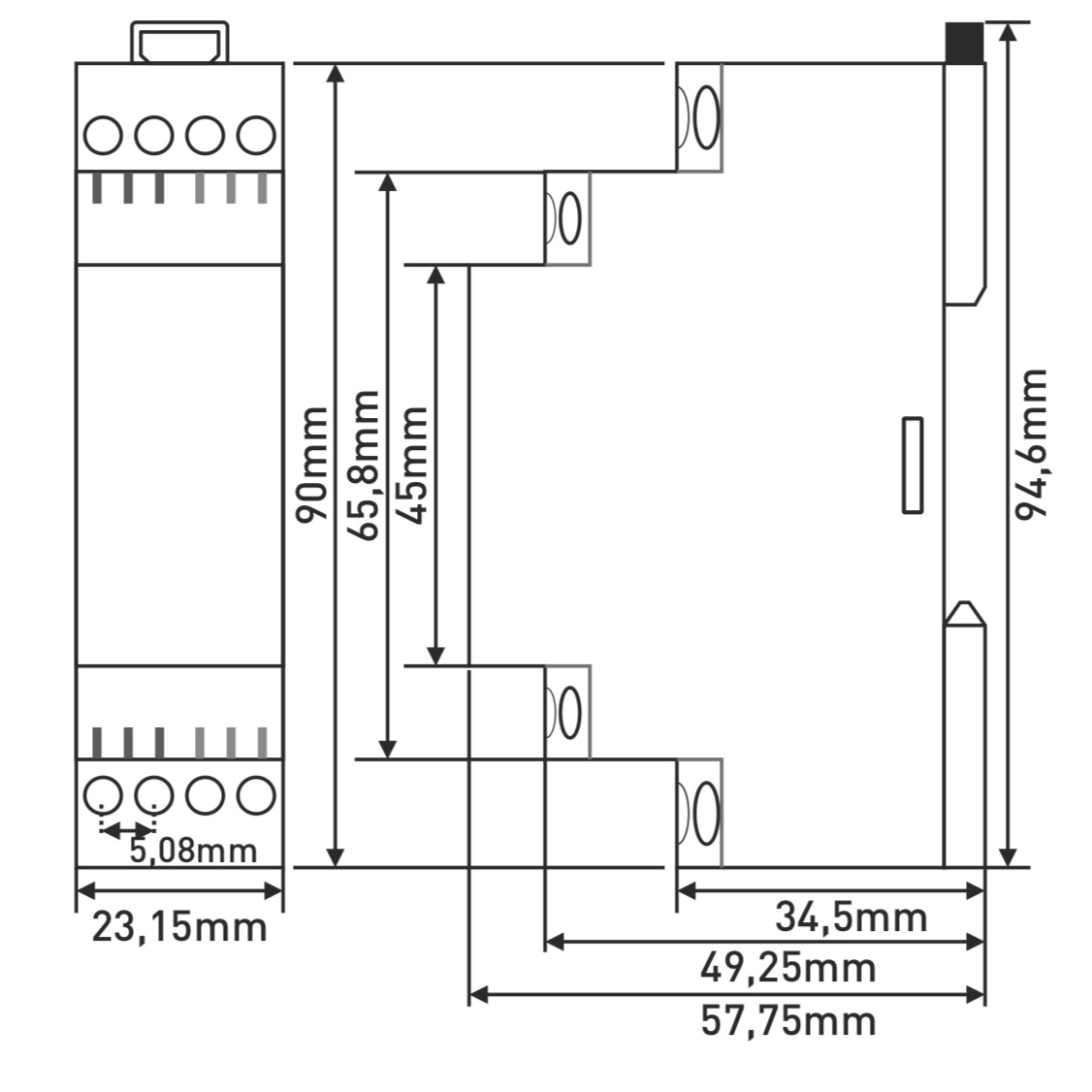
DIN rail installation
Width 23.15mm
Online payment by card - after completing your order, you will be redirected to the payment gateway, payment confirmation will be sent to you by email
Arrival - payment according to the payment order, you pay the driver of the transport company
By transfer - a prepayment invoice will be sent to your email address no later than the next business day, with the bank account number that you enter when making the payment.
By invoice - this payment option is used by partners who have a framework agreement with our company.
If you want to use the last 2 methods, call our manager and he will give you instructions on how to receive an invoice with or without VAT.
The electrical appliances we offer meet high quality standards, have a 24-month warranty, and meet all EU requirements.
In the case of advertising, no fees are charged for returning the goods.
