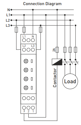
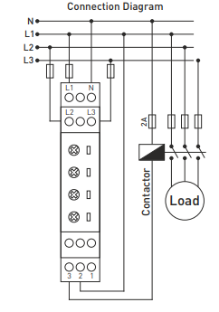
Three-phase monitoring/protection relay for overvoltage, undervoltage, sequence/error monitoring
Failed to load pickup availability
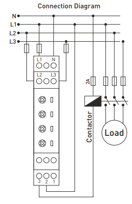
Control relay - three-phase monitoring/protection relay for monitoring overvoltage, undervoltage, slip, phase failure with timer. GKM-12/12F (VOLTAGE)
Phase protection relays are designed to protect three-phase loads from damage caused by line voltage.
- Voltage: 230V - 300V AC (adjustable)
- Sub-voltage: 140V - 210V AC (adjustable)
Timer: 0.1 s - 20 s (adjustable)
Phase failure protection
- Phase sequence control (GKM-12F)
DIN rail installation
-
Width 17.8mm
Online payment by card - after completing your order, you will be redirected to the payment gateway, payment confirmation will be sent to you by email
Arrival - payment according to the payment order, you pay the driver of the transport company
By transfer - a prepayment invoice will be sent to your email address no later than the next business day, with the bank account number that you enter when making the payment.
By invoice - this payment option is used by partners who have a framework agreement with our company.
If you want to use the last 2 methods, call our manager and he will give you instructions on how to receive an invoice with or without VAT.
The electrical appliances we offer meet high quality standards, have a 24-month warranty, and meet all EU requirements.
In the case of advertising, no fees are charged for returning the goods.
