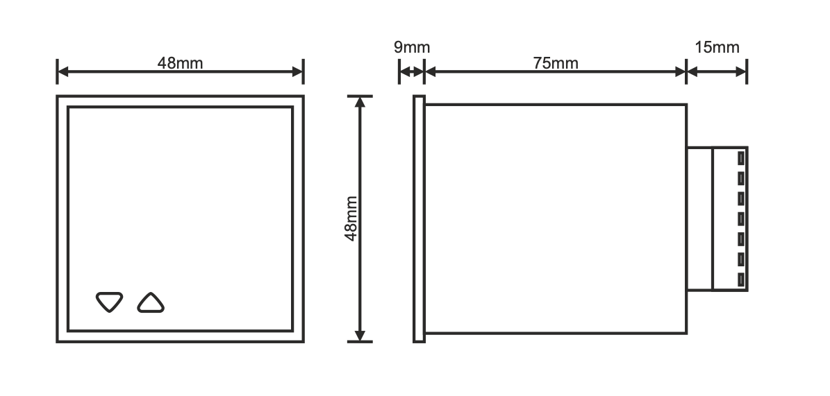
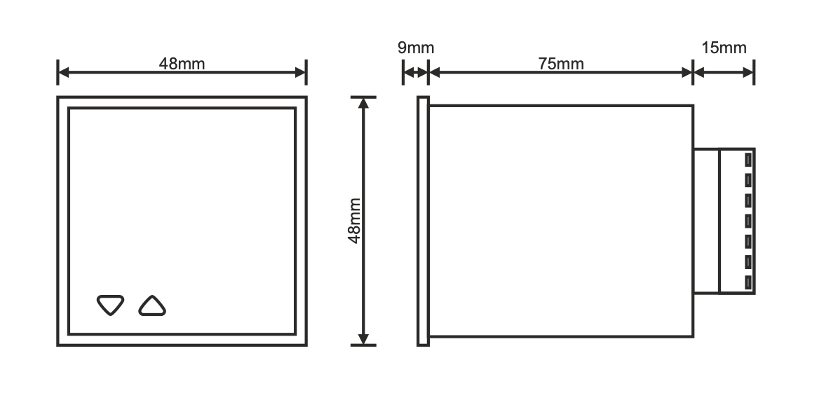
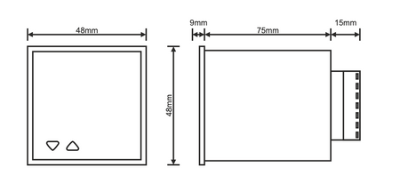
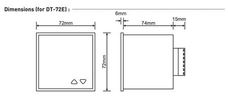
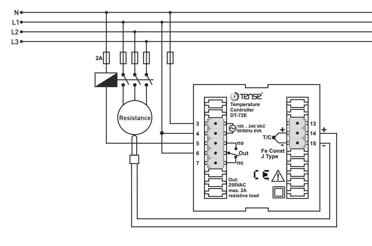
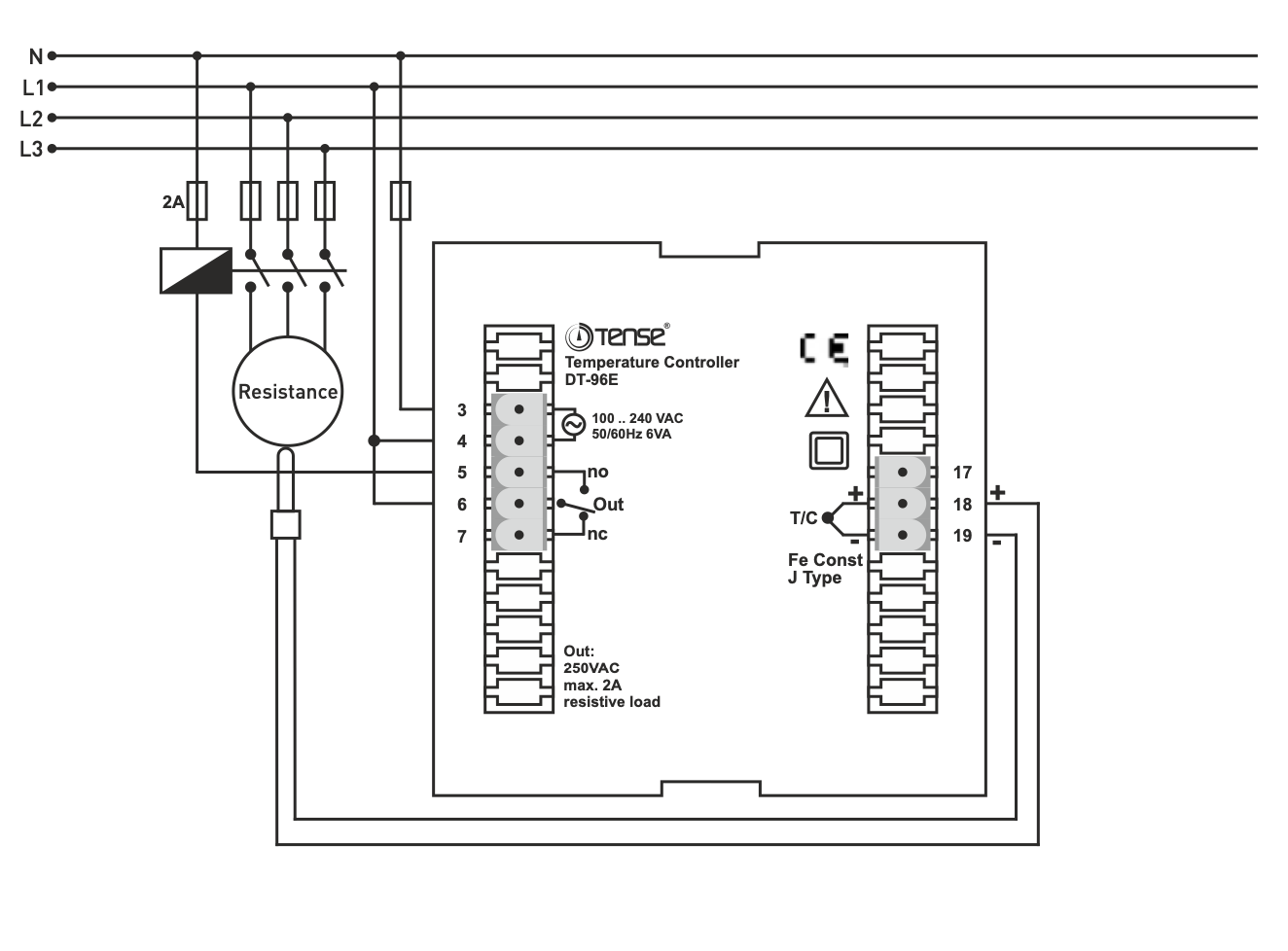
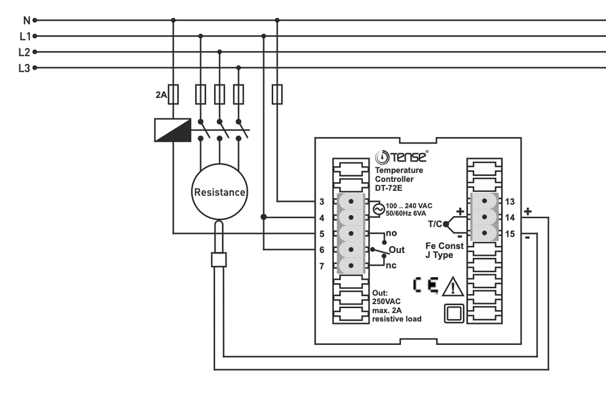
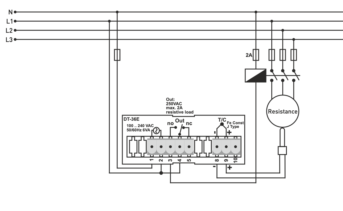
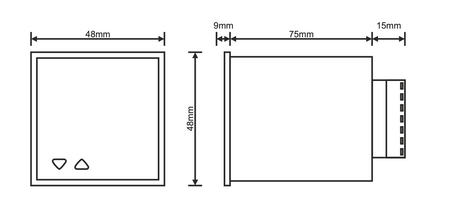
High precision temperature controller for panel mounting ON - OFF up to 600ºC
Failed to load pickup availability
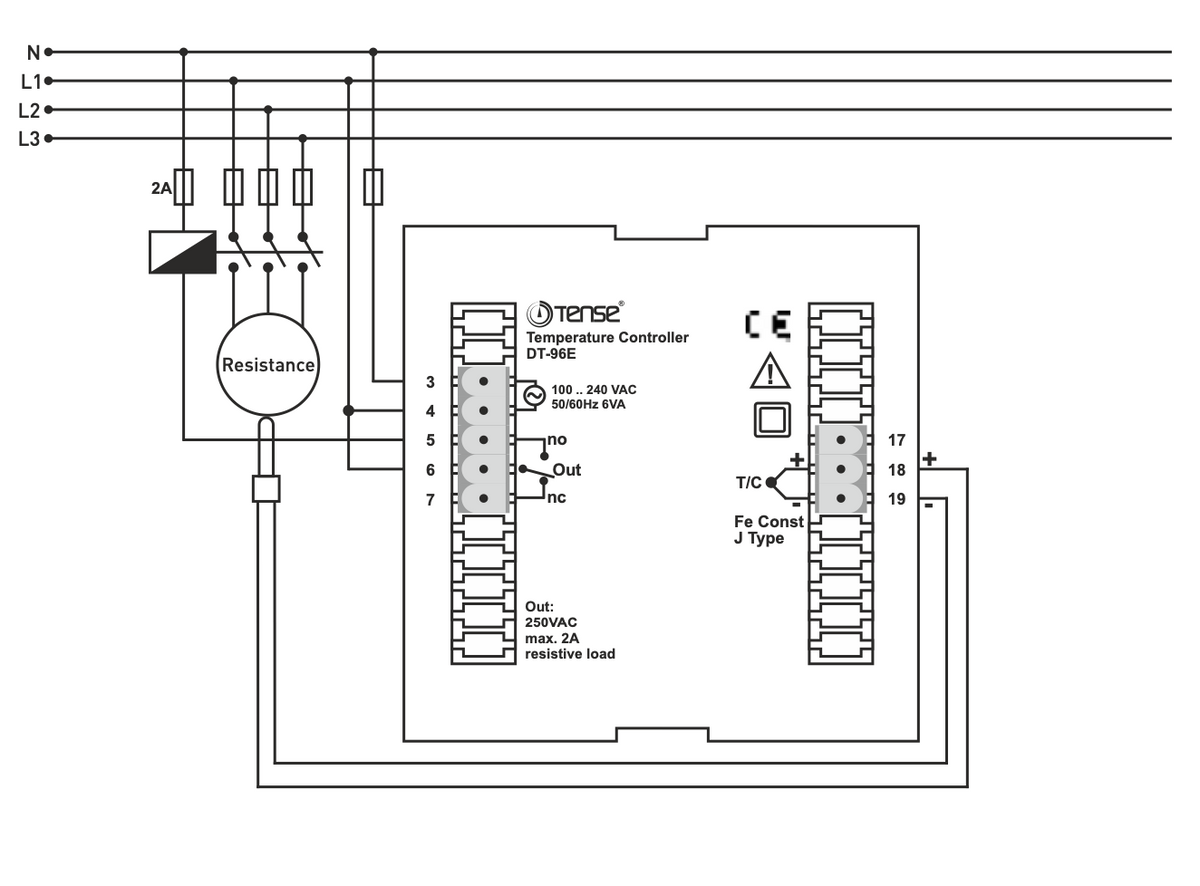
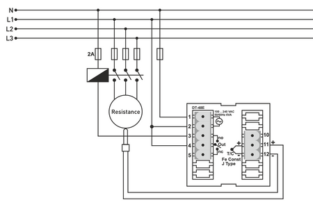
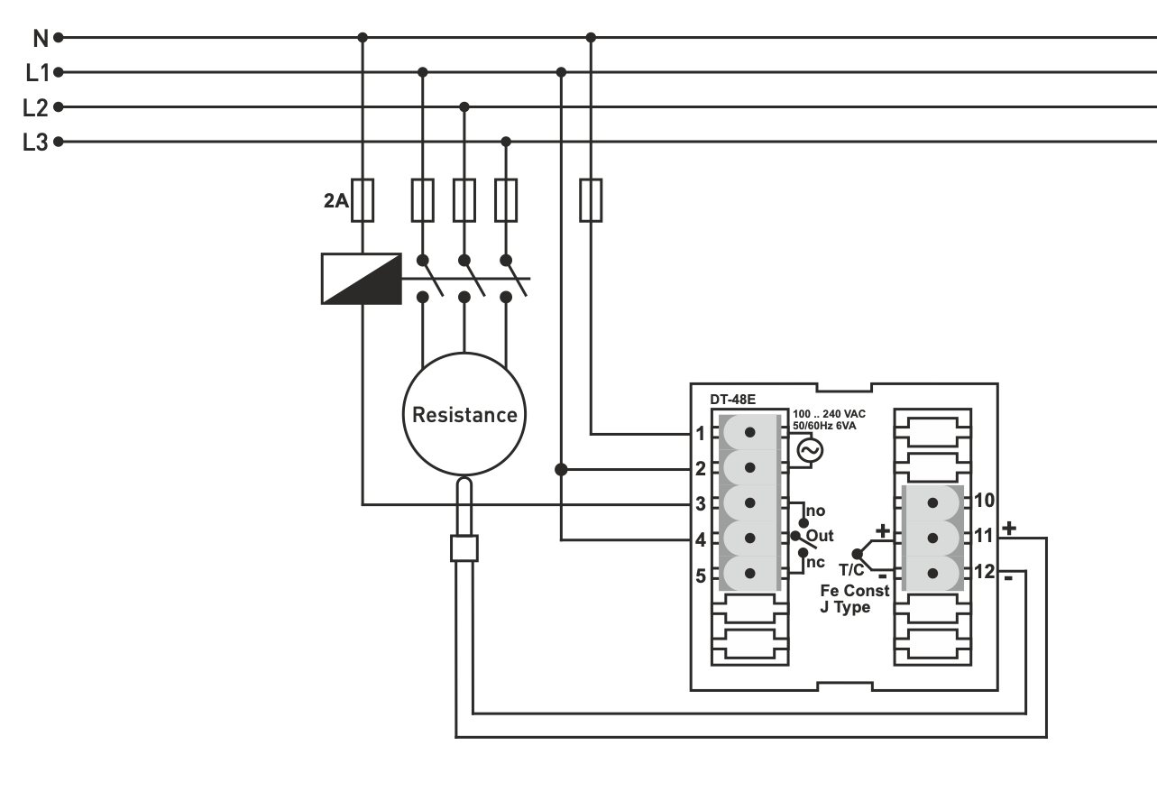
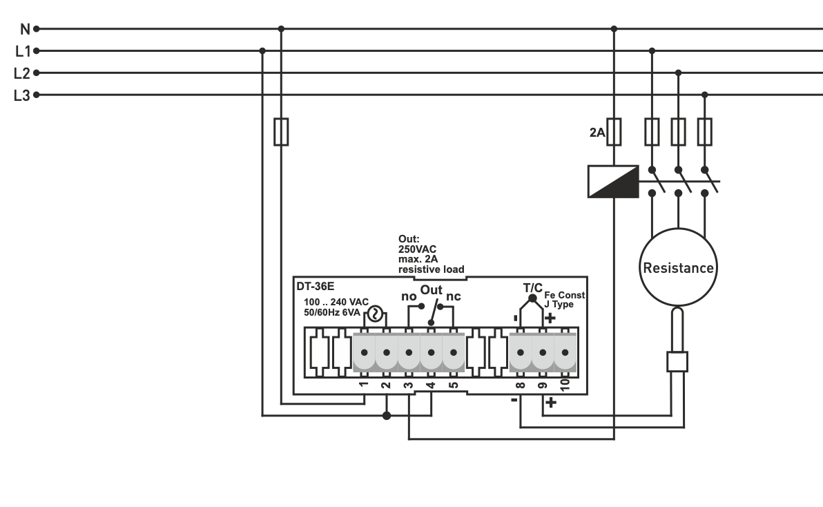
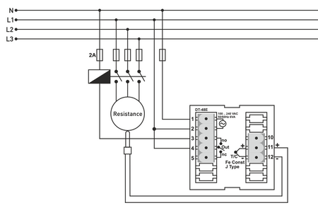
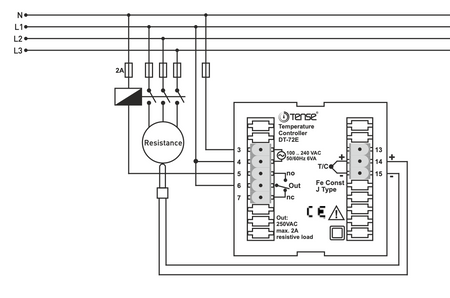
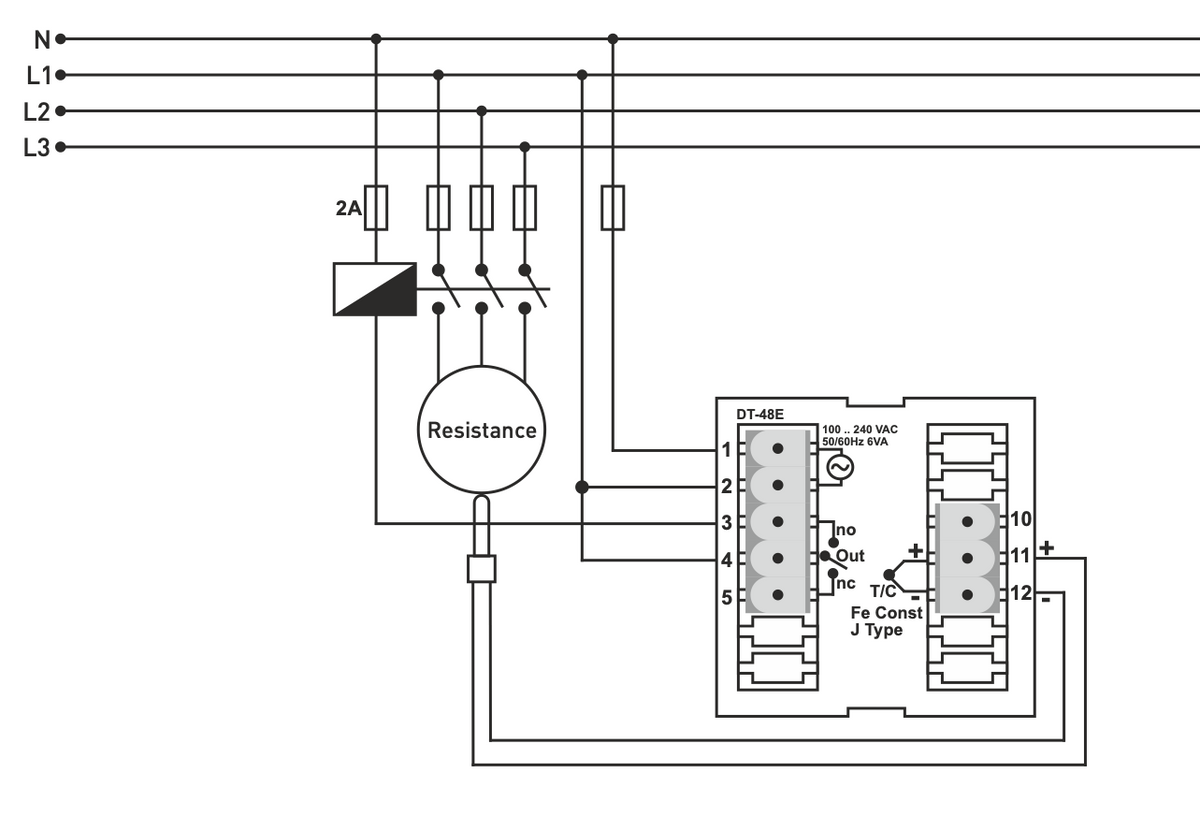
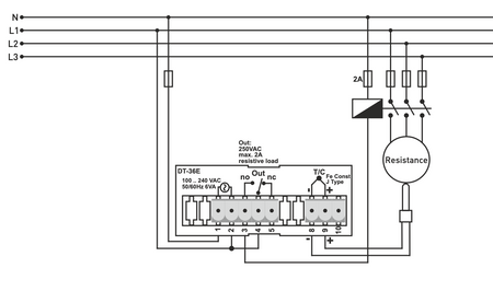
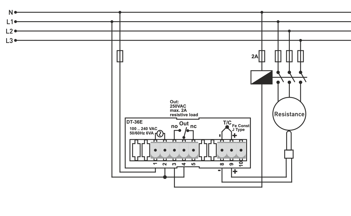
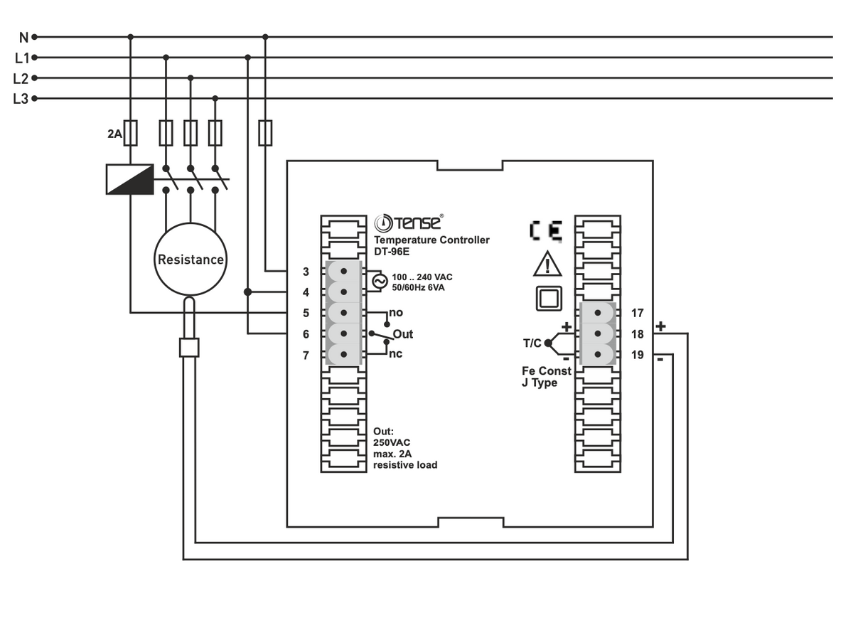
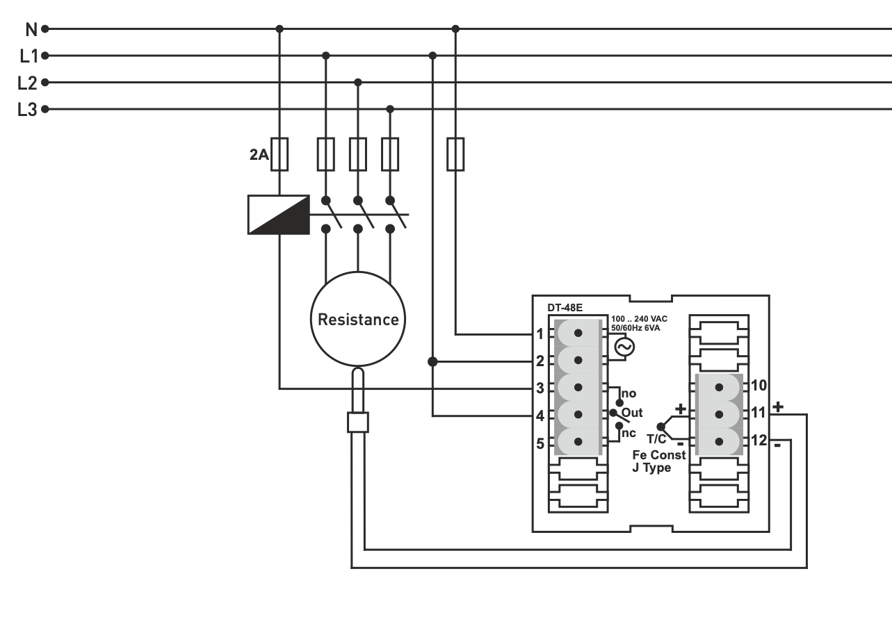
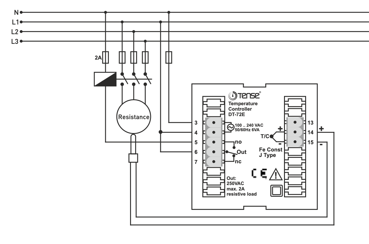
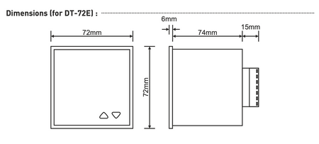
Thermostat / 2-point temperature controller for panel mounting ON/OFF ON/OFF control mode, measuring range 0°C ... +600°C, resolution / step 1ºC (made in Turkey, TENSE)
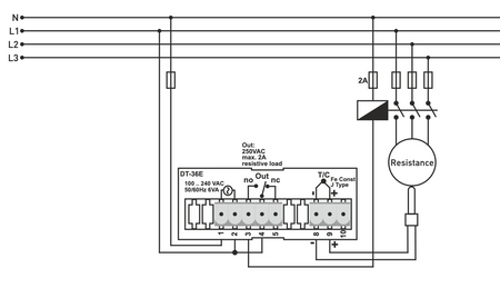
Control and monitoring of heating, air conditioning and ventilation systems, building automation, and thermal processes in industrial plants.
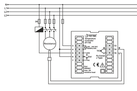
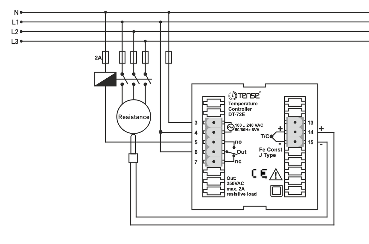
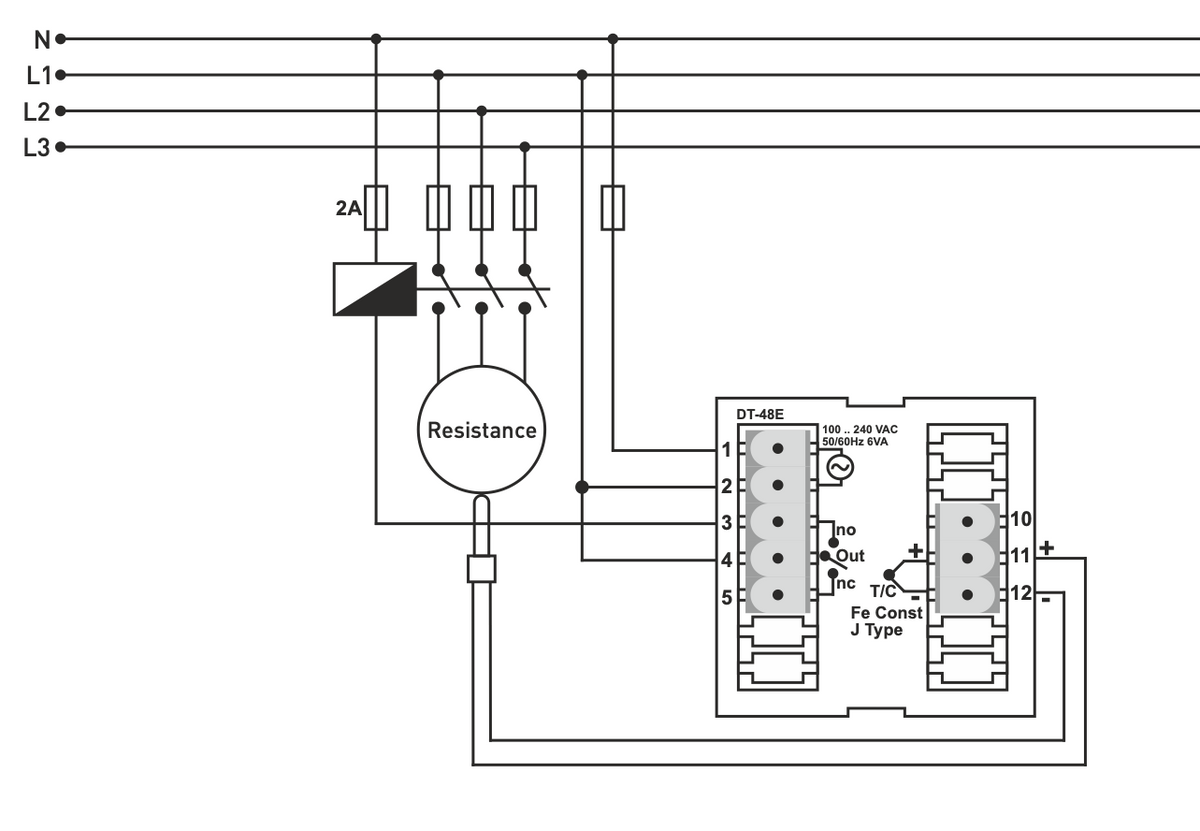
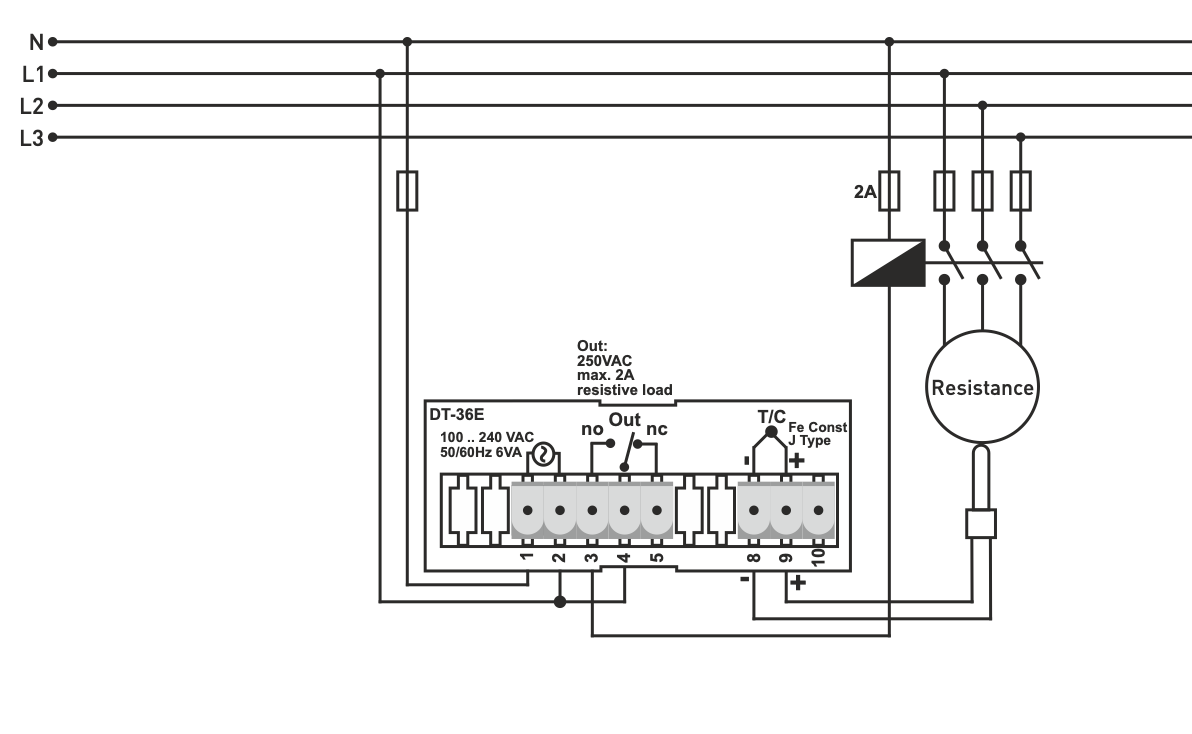
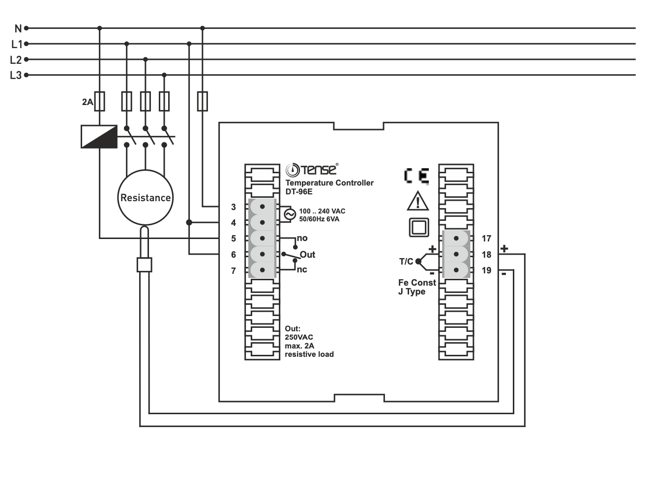
Sensor type: J-type, Fe-Const, T/C
Relay outputs OUT (NO+NC) 250VAC, 2A
- Hysterical
EEPROM memory for storing settings
Password protection
High accuracy: %0.3
Don't forget to order our temperature sensors - thermocouple type J Fe-Const (metric 6/8) with temperature measurement scale: -100 °C - +600 °C. Available with 1 m, 1.5 m, 2 m, 2.5 m, 3 m, 4 m and 5 m cable lengths.
Online payment by card - after completing your order, you will be redirected to the payment gateway, payment confirmation will be sent to you by email
Arrival - payment according to the payment order, you pay the driver of the transport company
By transfer - a prepayment invoice will be sent to your email address no later than the next business day, with the bank account number that you enter when making the payment.
By invoice - this payment option is used by partners who have a framework agreement with our company.
If you want to use the last 2 methods, call our manager and he will give you instructions on how to receive an invoice with or without VAT.
The electrical appliances we offer meet high quality standards, have a 24-month warranty, and meet all EU requirements.
In the case of advertising, no fees are charged for returning the goods.
