RGT-MT18 - Reactive power controller 18 levels +TCR with RS485 ModBus
Failed to load pickup availability
18 steps + TCR power factor controller for symmetrical/asymmetrical networks with 5-inch touchscreen and RS-485 (TENSE)
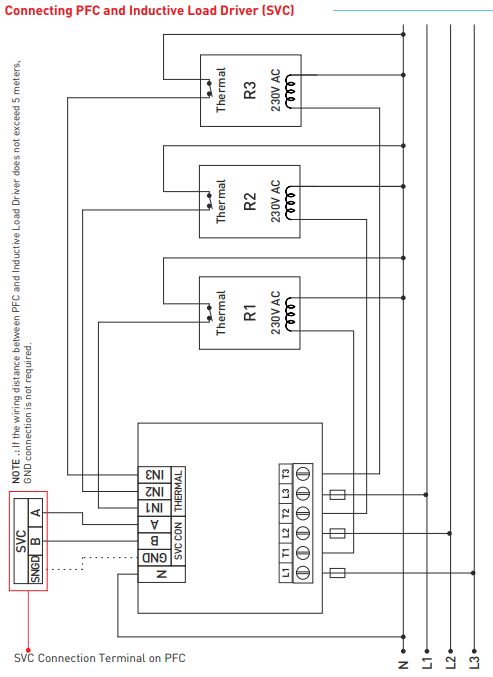
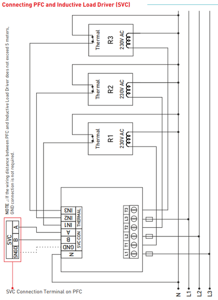
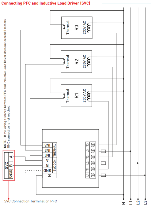
Reactive power control relays are designed to reduce the reactive power (inductive and capacitive) that is not used by the load and is taken from the network. When inductive power is taken from the network, it intervenes by removing a capacitor with an appropriate value. When capacitive power is taken from the power network, it intervenes by taking a shunt inductor with an appropriate value. In this way, it tries to reduce the inductive/active and capacitive/active speed of the system. Its purpose is to provide a more reasonable compensation in unbalanced inductive and capacitive systems with the RGT-MT18 TCR stage
Generator input and generator compensation
Voltage, harmonic current/voltage, inductive and capacitive alarm output
Hit, discharge and settling times are adjustable
Remote communication via RS485 (RS485 ModBus RTU)
Single, two and three-phase capacitor and shunt reactor can be connected
Harmonic voltage and current can be monitored up to the 61st harmonic.
-
Total energy (import/export) is traceable
The THD-V and THD-I values of each phase can be monitored.
Power analysis (20 samples 9999 min.) - for capacitor selection.
Temperature alarm output
Demand recording (active and reactive power and apparent power and current demand)
Minimum, maximum and average current and voltage values for each phase can be monitored
Actual date and time
Online payment by card - after completing your order, you will be redirected to the payment gateway, payment confirmation will be sent to you by email
Arrival - payment according to the payment order, you pay the driver of the transport company
By transfer - a prepayment invoice will be sent to your email address no later than the next business day, with the bank account number that you enter when making the payment.
By invoice - this payment option is used by partners who have a framework agreement with our company.
If you want to use the last 2 methods, call our manager and he will give you instructions on how to receive an invoice with or without VAT.
The electrical appliances we offer meet high quality standards, have a 24-month warranty, and meet all EU requirements.
In the case of advertising, no fees are charged for returning the goods.
