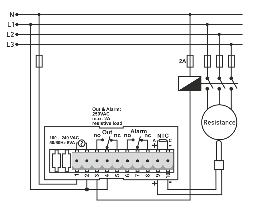
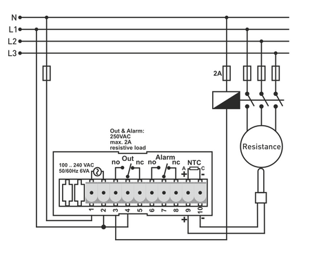
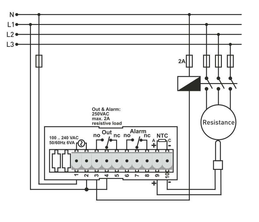
Temperature controller for panel mounting ON - OFF with external sensor
Failed to load pickup availability
Thermostat / 2-point temperature controller for panel-mounted ON-OFF control mode,
thermostat with external sensor, measuring range -30ºC ...+150ºC, resolution / step 1ºC (made in Turkey, TENSE) DT-321
Control and monitoring of heating, air conditioning and ventilation systems, building automation, and thermal processes in industrial plants.
Sensor type: NTC
Relay outputs OUT and ALARM (NO+NC) 250VAC, 2A
Optional heating and cooling function
- Hysterical
Adjustable ON/OFF timers for OUT output in case of sensor failure
- Protection against compression thanks to adjustable switch-off times
Upper and lower limits for SET and ALARM settings
Adjustable separate hysteresis for SET and ALARM settings
OUT switch-on delay in cooling mode
EEPROM memory for storing settings
Password protection
High accuracy
This simple temperature controller can be used with three types of sensors, which are presented on our website
Online payment by card - after completing your order, you will be redirected to the payment gateway, payment confirmation will be sent to you by email
Arrival - payment according to the payment order, you pay the driver of the transport company
By transfer - a prepayment invoice will be sent to your email address no later than the next business day, with the bank account number that you enter when making the payment.
By invoice - this payment option is used by partners who have a framework agreement with our company.
If you want to use the last 2 methods, call our manager and he will give you instructions on how to receive an invoice with or without VAT.
The electrical appliances we offer meet high quality standards, have a 24-month warranty, and meet all EU requirements.
In the case of advertising, no fees are charged for returning the goods.
