Network analyzer panel current, voltage, frequency, power, energy, RS485
Failed to load pickup availability
3-phase network analyzer / Network analyzer / Network analyzer - multifunctional digital panel meter, current, voltage, frequency and total power indicator, relay output, RS485 ModBus RTU - TPM-04SHDL panel meter from the manufacturer TENSE (Turkey).
Power analyzers are designed to measure and monitor electrical values. Thanks to the communication function, the measured energy values can be independently monitored and reported. Power analyzers can be used to perform analyses such as calculating power quality, efficiency and unit costs.
Main advantages:
- RS485 Modbus RTU (1200-19200b/s).
- Three-phase voltage transformer and three-phase current transformer.
Displays voltage and current harmonic components up to the 31st harmonic.
Shows active power per phase (P)
Shows reactive power per phase (Q, inductive and capacitive).
Shows apparent power per phase (S)
Displays the Cosφ and power factor values for each phase.
-
Displays the voltage (V) and current (I) values between phases and neutral phases and measures frequency.
Shows the total values of imported and exported active energy (ΣkWh).
Shows the total values of inductive and capacitive reactive energy (ΣkVArh).
Shows minimum and maximum values, maximum demand.
2 relay outputs, 1 digital input
Event logs (high/low voltage/current, voltage/current asymmetry, THD-I)
The menu is password protected.
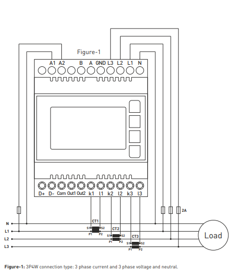
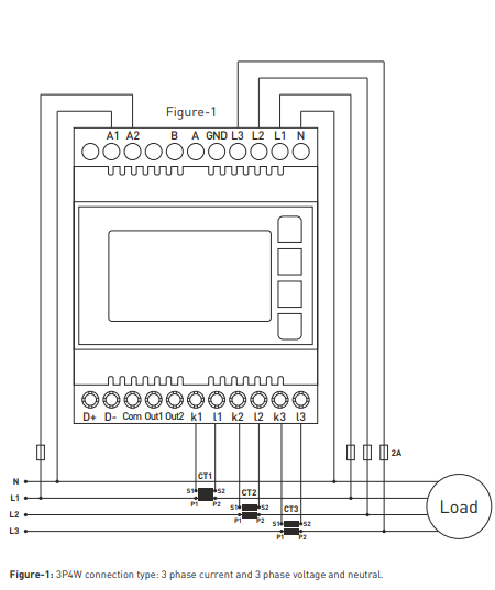
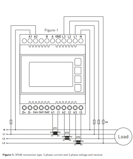
Typically, this network analyzer is used with current measuring transformers - 60/5 75/5 100/5 150/5 200/5 250/5 300/5 400/5 500/5 600/5 800/5 1000/5 1500/5 etc. If you plan to connect the analyzer to ModBus, we will send you a "Registration Table" with ModBus addresses upon request.
Online payment by card - after completing your order, you will be redirected to the payment gateway, payment confirmation will be sent to you by email
Arrival - payment according to the payment order, you pay the driver of the transport company
By transfer - a prepayment invoice will be sent to your email address no later than the next business day, with the bank account number that you enter when making the payment.
By invoice - this payment option is used by partners who have a framework agreement with our company.
If you want to use the last 2 methods, call our manager and he will give you instructions on how to receive an invoice with or without VAT.
The electrical appliances we offer meet high quality standards, have a 24-month warranty, and meet all EU requirements.
In the case of advertising, no fees are charged for returning the goods.
