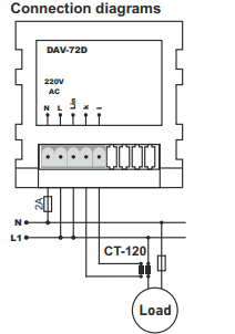
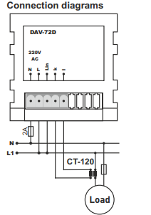
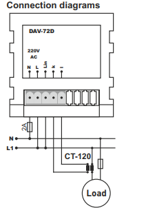
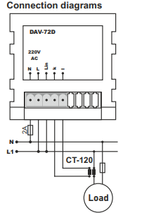
DAV-72D paneelile paigaldatav digitaalne amper- ja voltmeeter vahelduvvoolu 100 amprit, 150 V

Laos - Saadaval on 17 üksust
SKU: DAV-72D
Ühine hind €22,28 käibemaksuga

Digitaalne paneel / sisseehitatud amper- ja voltmeeter vahelduvvoolule 100 amprit 150V - 260V AC, kaudne mõõtmine, mõõtemuundur kaasas, TENSE paneelmõõtjad

Online makse kaardiga - pärast tellimuse lõpetamist suunatakse teid makseväravasse, makse kinnitamine saadetakse teile e-posti teel

Jõudmine -  tasumine vastavalt maksekorraldusele, maksate transpordiettevõtte juhile

Ülekandega - teie e-posti aadressile saadetakse hiljemalt järgmisel tööpäeval ettemaksuarve, millel on pangakonto number, mille sisestate makse tegemisel.

Arve alusel - seda maksevarianti kasutavad partnerid, kellel on meie ettevõttega sõlmitud raamleping.

​Kui soovite kasutada viimaseid 2 viisi, helistage meie juhile ja ta annab teile juhised, kuidas saada arve koos või ilma käibemaksuta​.

Meie pakutavad elektrilised seadmed vastavad kõrgetele kvaliteedistandarditele, neil on 24-kuuline garantii ja nad vastavad kõigile ELi nõuetele.

Reklaamimise korral ei küsita kauba tagastamise eest mingeid tasusid.