Kolmefaasiline järelevalve/kaitserelee ülepinge, alajäägi, järjestuse/vea kontrollimiseks

Laos - Saadaval on 6 üksust
SKU: GKV-12F
Ühine hind €39,24 käibemaksuga
Sörkjooksu etapp

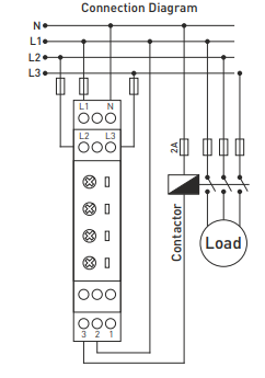
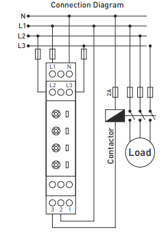
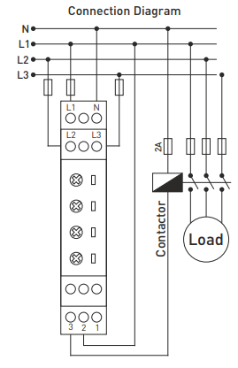
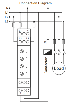
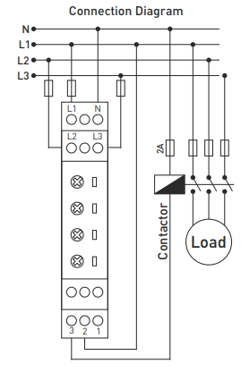
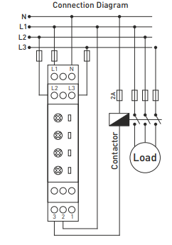
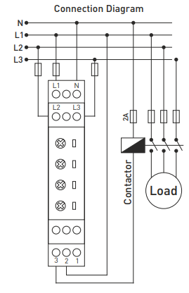
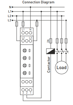
Juhtimisrelee - kolmefaasiline valve-/kaitserelee ülepinge, alajäägi, kelgu, faasirikke kontrollimiseks koos taimeriga. GKM-12/12F (PINGE)

Faasikaitsereleed on ette nähtud kolmefaasiliste koormuste kaitsmiseks liinipingest põhjustatud kahjustuste eest.

  • Pinge: 230V - 300V vahelduvvool (reguleeritav)
  • Alampinge: 140V - 210V AC (reguleeritav)
  • Taimer: 0,1 s - 20 s (reguleeritav)

  • Faasirikke kaitse

  • Faaside järjestuse kontroll (GKM-12F)
  • DIN-riba paigaldamine

  • Laius 17,8 mm


Online makse kaardiga - pärast tellimuse lõpetamist suunatakse teid makseväravasse, makse kinnitamine saadetakse teile e-posti teel

Jõudmine -  tasumine vastavalt maksekorraldusele, maksate transpordiettevõtte juhile

Ülekandega - teie e-posti aadressile saadetakse hiljemalt järgmisel tööpäeval ettemaksuarve, millel on pangakonto number, mille sisestate makse tegemisel.

Arve alusel - seda maksevarianti kasutavad partnerid, kellel on meie ettevõttega sõlmitud raamleping.

​Kui soovite kasutada viimaseid 2 viisi, helistage meie juhile ja ta annab teile juhised, kuidas saada arve koos või ilma käibemaksuta​.

Meie pakutavad elektrilised seadmed vastavad kõrgetele kvaliteedistandarditele, neil on 24-kuuline garantii ja nad vastavad kõigile ELi nõuetele.

Reklaamimise korral ei küsita kauba tagastamise eest mingeid tasusid.