Regulaator ühefaasilise pumba jaoks kuni 30A
Kättesaadavuse laadimine ebaõnnestus
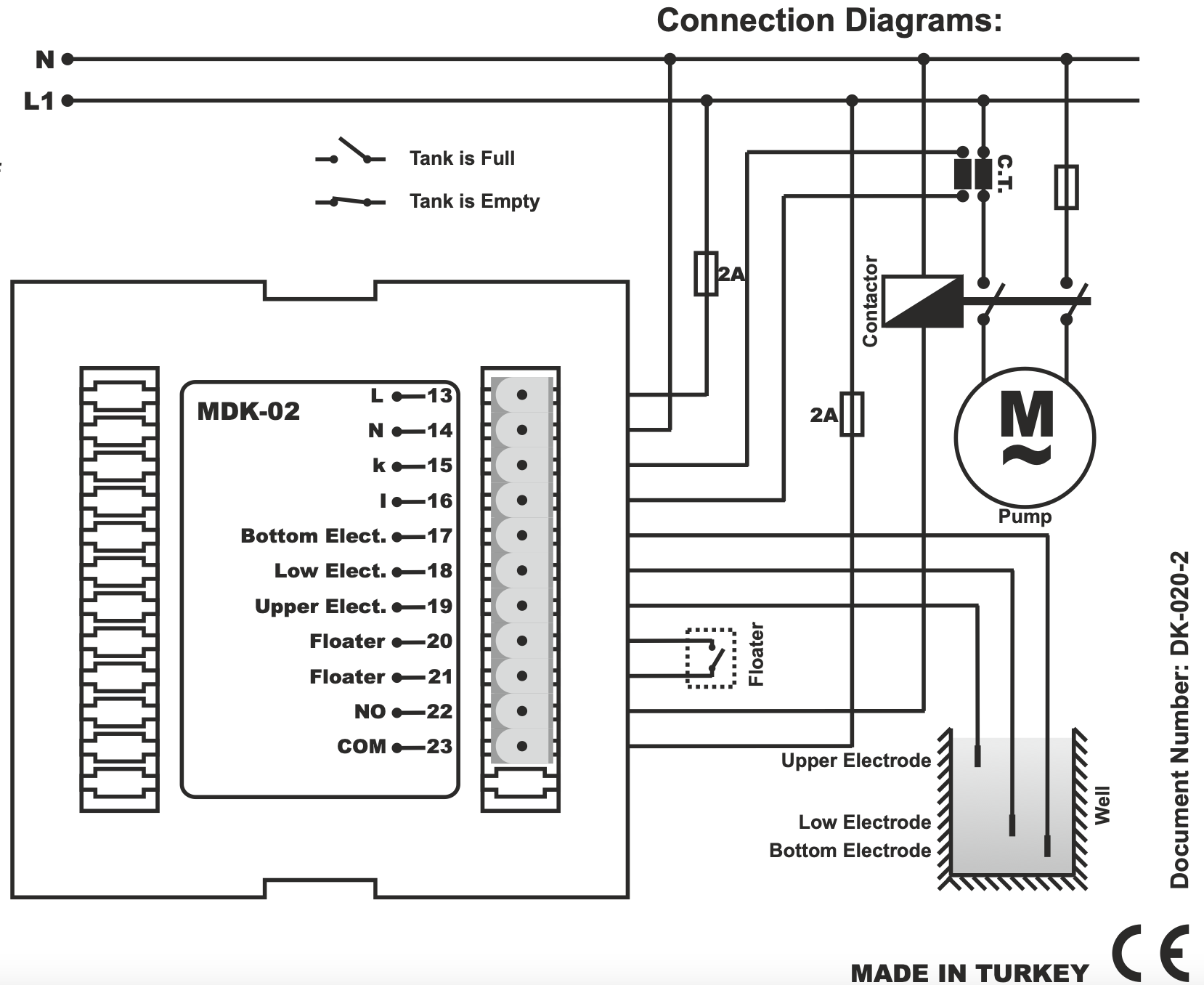
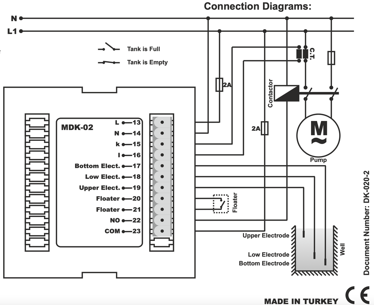
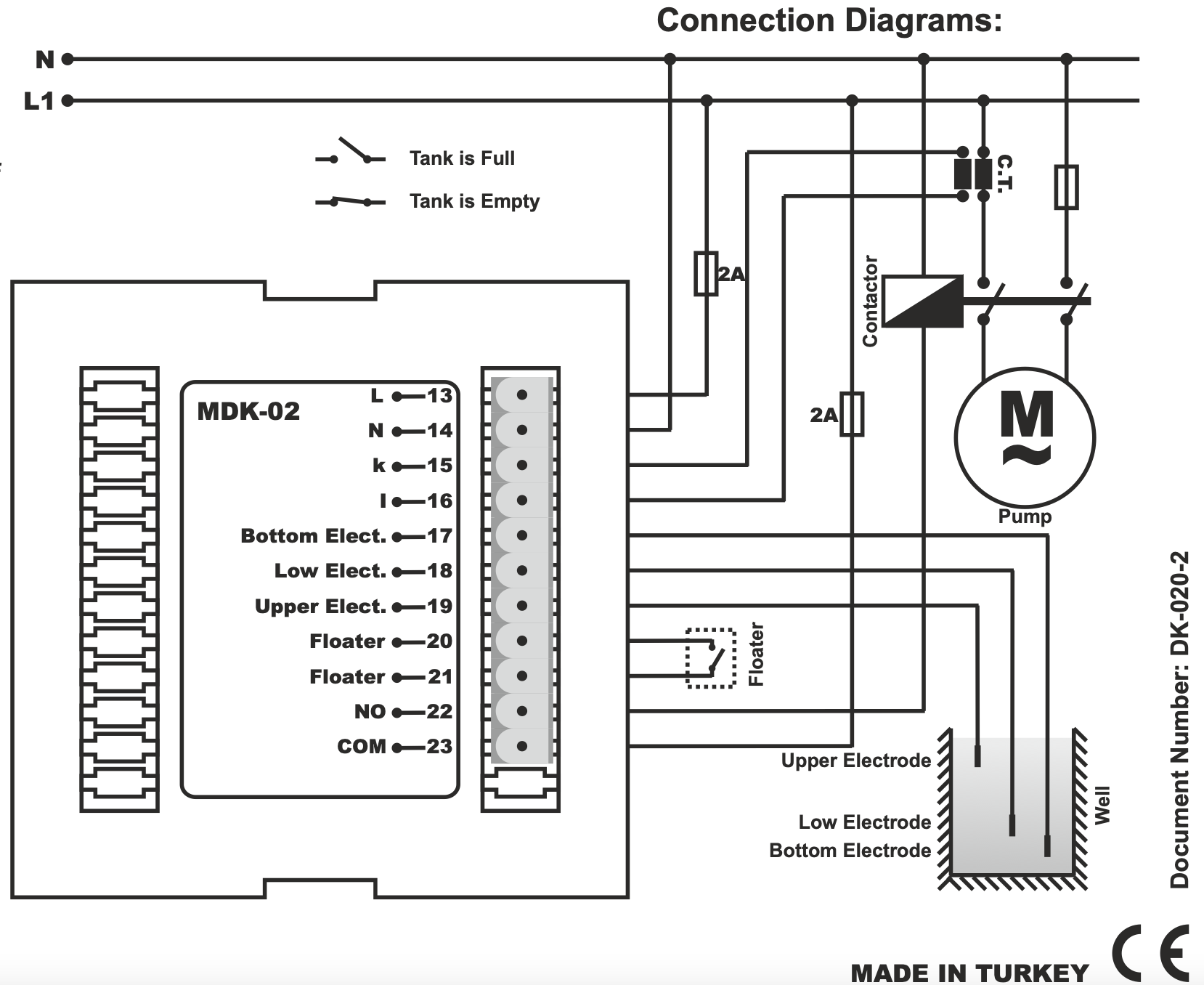
Puurkaevu tasememõõtja, puurkaevu tasememõõtja, mahuti tasememõõtja / Ühefaasiline kaitserelee - sukelpumba kontroller, pumba kaitse, pumba töö relee MDK-02 (TENSE)
- 1A - 30A sukelpump (mõõtetrafo kaasas)
Võimalus töötada 2 või 3 sondiga
Kõrge/madalpinge kaitse
Kõrge/madal voolu kaitse
Paneelile paigaldamine
Online makse kaardiga - pärast tellimuse lõpetamist suunatakse teid makseväravasse, makse kinnitamine saadetakse teile e-posti teel
Jõudmine - tasumine vastavalt maksekorraldusele, maksate transpordiettevõtte juhile
Ülekandega - teie e-posti aadressile saadetakse hiljemalt järgmisel tööpäeval ettemaksuarve, millel on pangakonto number, mille sisestate makse tegemisel.
Arve alusel - seda maksevarianti kasutavad partnerid, kellel on meie ettevõttega sõlmitud raamleping.
Kui soovite kasutada viimaseid 2 viisi, helistage meie juhile ja ta annab teile juhised, kuidas saada arve koos või ilma käibemaksuta.
Meie pakutavad elektrilised seadmed vastavad kõrgetele kvaliteedistandarditele, neil on 24-kuuline garantii ja nad vastavad kõigile ELi nõuetele.
Reklaamimise korral ei küsita kauba tagastamise eest mingeid tasusid.