RGT-12E - 12-tasemeline reaktiivvõimsuse regulaator +TCR
Kättesaadavuse laadimine ebaõnnestus
12 sammu + TCR võimsusteguri kontroller 2,9-tollise graafilise LCD-ekraaniga (TENSE)
RGT-12E reaktiivvõimsuse regulaator (TENSE ) on täisautomaatne seade kompensatsiooniastmete optimaalseks lülitamiseks.
Regulaatori poolt mõõdetud väärtuste digitaalne töötlemine tagab suure täpsuse efektiivse pinge, voolu ja võimsusteguri hindamisel.
Seadme paigaldamine on täielikult automaatne - regulaator määrab ise üksikute ühendatud kompensatsioonietappide suuruse. Neid parameetreid saab sisestada ka otse käsitsi.
Regulaator lülitab kompensatsiooniastmed sisse ja välja nii, et reaktiivvõimsust reguleeritakse minimaalse arvu lülitustoimingutega. Samal ajal võtab kontroller arvesse üksikute astmete ühtlast koormust ja lülitab eelistatult välja need astmed, mis on kõige kauem pingevabaks jäänud ja mille jääklaadimine on minimaalne. Reguleerimisprotsessi ajal kontrollitakse paralleelselt pidevalt kompensatsioonietappe - tuvastatakse rikkeid ja väärtuste muutusi, ajutiselt eemaldatud etappe testitakse perioodiliselt ja vajaduse korral lülitatakse need uuesti reguleerimisprotsessi.
Generaatori sisend ja generaatori kompenseerimine
Hit, tühjendus- ja settimisajad on seadistatavad
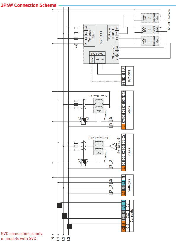
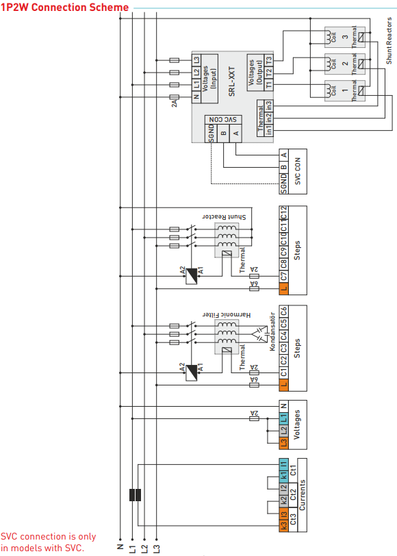
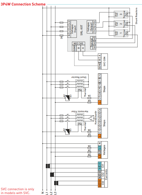
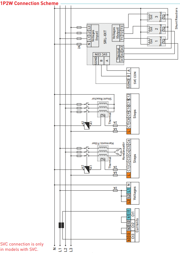
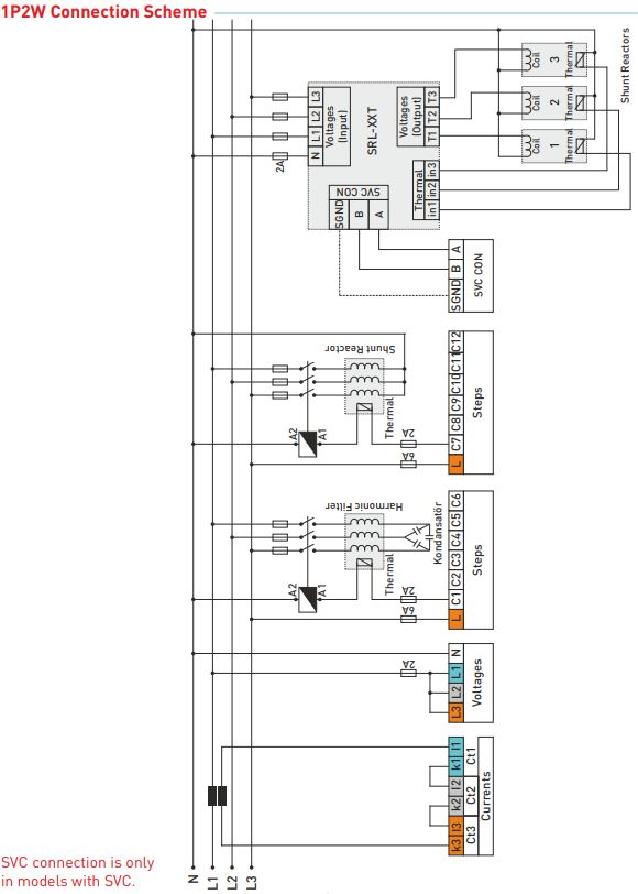
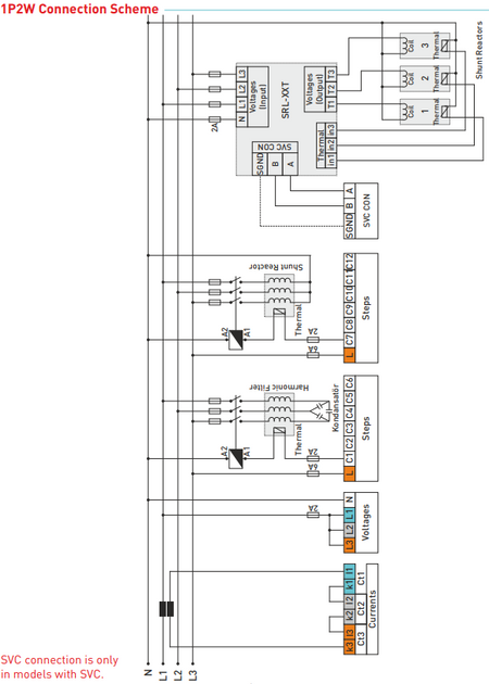
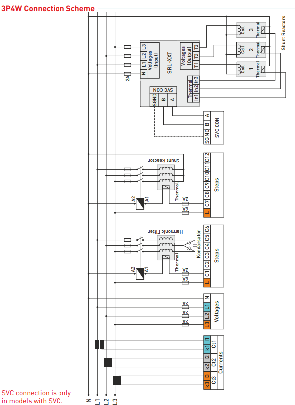
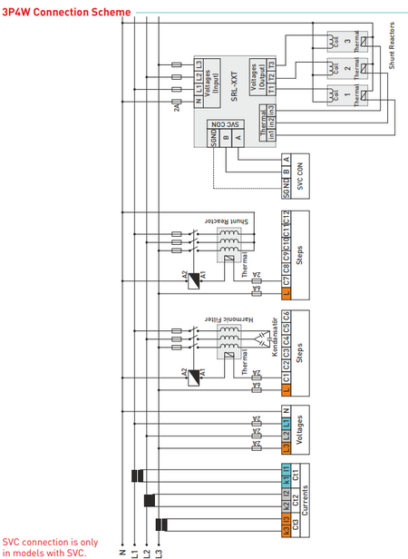
Ühe-, kahe- ja kolmefaasilise kondensaatori ja šuntreaktori saab ühendada
harmoonilist pinget ja voolu saab jälgida kuni 31. harmoonilise väärtuseni.
Koguenergiat saab jälgida (import/eksport).
Iga faasi THD-V ja THD-I väärtusi saab jälgida.
Võimsuse analüüs (20 proovi 9999 min.) - kondensaatorite valimiseks.
Online makse kaardiga - pärast tellimuse lõpetamist suunatakse teid makseväravasse, makse kinnitamine saadetakse teile e-posti teel
Jõudmine - tasumine vastavalt maksekorraldusele, maksate transpordiettevõtte juhile
Ülekandega - teie e-posti aadressile saadetakse hiljemalt järgmisel tööpäeval ettemaksuarve, millel on pangakonto number, mille sisestate makse tegemisel.
Arve alusel - seda maksevarianti kasutavad partnerid, kellel on meie ettevõttega sõlmitud raamleping.
Kui soovite kasutada viimaseid 2 viisi, helistage meie juhile ja ta annab teile juhised, kuidas saada arve koos või ilma käibemaksuta.
Meie pakutavad elektrilised seadmed vastavad kõrgetele kvaliteedistandarditele, neil on 24-kuuline garantii ja nad vastavad kõigile ELi nõuetele.
Reklaamimise korral ei küsita kauba tagastamise eest mingeid tasusid.