Võrguanalüsaatori paneel vool, pinge, sagedus, võimsus, energia, RS485

Laos - Saadaval on 27 üksust
SKU: TPM-04SHDL
Ühine hind €148,80 käibemaksuga

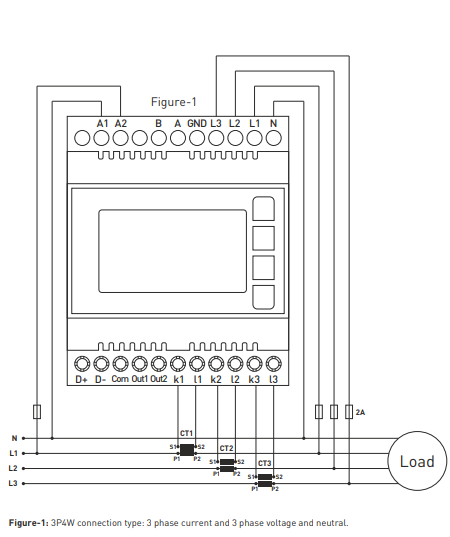
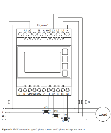
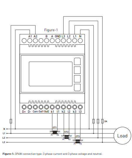
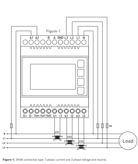
3-faasiline võrguanalüsaator / Network analyzer / Network analyzer - multifunktsionaalne digitaalne paneelarvesti, voolu, pinge, sageduse ja koguvõimsuse indikaator, relee väljund, RS485 ModBus RTU - TPM-04SHDL tootja TENSE (Türgi) paneelarvesti.

Võimsusanalüsaatorid on mõeldud elektriliste väärtuste mõõtmiseks ja jälgimiseks. Tänu kommunikatsioonifunktsioonile saab mõõdetud energiaväärtusi iseseisvalt jälgida ja esitada aruandeid. Võimsusanalüsaatorite abil saab teha analüüse, näiteks energiakvaliteedi, tõhususe ja ühikukulude arvutamist.

Peamised eelised:

  • RS485 Modbus RTU (1200-19200b/s).
  • Kolmefaasiline pingetrafo ja kolmefaasiline voolutrafo.
  • Näitab pinge ja voolu harmoonilisi komponente kuni 31. harmoonikani.

  • Näitab aktiivvõimsust faasi kohta (P)

  • Näitab reaktiivvõimsust faasi kohta (Q, induktiivne ja mahtuvuslik).

  • Näitab näivvõimsust faasi kohta (S)

  • Kuvab iga faasi Cosφ ja võimsusteguri väärtused.

  • Näitab faaside ja neutraalfaaside vahelise pinge (V) ja voolu (I) väärtusi ning mõõdab sagedust.

  • Näitab imporditud ja eksporditud aktiivenergia koguväärtusi (ΣkWh).

  • Näitab induktiivse ja mahtuvusliku reaktiivenergia koguväärtusi (ΣkVArh).

  • Näitab minimaalseid ja maksimaalseid väärtusi, maksimaalset nõudlust.

  • 2 relee väljundit, 1 digitaalne sisend

  • Sündmuste logid (kõrge/madal pinge/vool, pinge/voolu asümmeetria, THD-I)

  • Menüü on parooliga kaitstud.

Tavaliselt kasutatakse seda võrguanalüsaatorit koos voolu mõõtvate trafodega - 60/5 75/5 100/5 150/5 200/5 250/5 300/5 400/5 500/5 600/5 800/5 1000/5 1500/5 vms. Kui te kavatsete ühendada analüsaatori ModBus'iga, saadame teile soovi korral "Registreerimistabeli" ModBus'i aadressidega.

Online makse kaardiga - pärast tellimuse lõpetamist suunatakse teid makseväravasse, makse kinnitamine saadetakse teile e-posti teel

Jõudmine -  tasumine vastavalt maksekorraldusele, maksate transpordiettevõtte juhile

Ülekandega - teie e-posti aadressile saadetakse hiljemalt järgmisel tööpäeval ettemaksuarve, millel on pangakonto number, mille sisestate makse tegemisel.

Arve alusel - seda maksevarianti kasutavad partnerid, kellel on meie ettevõttega sõlmitud raamleping.

​Kui soovite kasutada viimaseid 2 viisi, helistage meie juhile ja ta annab teile juhised, kuidas saada arve koos või ilma käibemaksuta​.

Meie pakutavad elektrilised seadmed vastavad kõrgetele kvaliteedistandarditele, neil on 24-kuuline garantii ja nad vastavad kõigile ELi nõuetele.

Reklaamimise korral ei küsita kauba tagastamise eest mingeid tasusid.